Jump to content
EUROPAS GROßE
SPORTWAGEN COMMUNITY

Anlasser streikt bei warmen Motor


Zur Lösung Gelöst von GeorgW,

Empfohlene Beiträge

Geschrieben

Hallo,

 

bei meinem 348 habe ich vermehrt dass Problem, dass der Anlasser nicht dreht wenn der Motor richtig gut temperiert ist.

Nach längerer Fahrt, wenn richtig Wärme entstanden, einem kurzen Stopp und beim Anlassen ist nur ein Klick zu hören. Anlasser dreht nicht.

Nach 3, 4 Versuchen klappts dann wieder. Anlasser dreht dann ganz normal. Im kalten Zustand; auch nach längerer Standzeit gar keine Probleme.

 

Frage an die Experten: Könnte der Fehler eher am Relais, oder an den Kontakten liegen, oder deutet das Verhalten eher auf verschlissene Kohlebürsten hin?

 

Danke!

 

Jetzt registrieren, um Themenwerbung zu deaktivieren »
Geschrieben

Wenn es nur Klick macht würde ich eher auf Magnetschalter tippen.

Geschrieben

Hallo,

diese Symptomatik ist ein typisches Problem beim 348 (und auch bei anderen Modellen aus dieser Zeit) und lässt sich durch ein Anlasser-Hilfsrelais einfach und dauerhaft beheben, gibt schon diverse Themen dazu. Anlasser überholen, austauschen usw. hilft nur temporär.

 

Gruß, Georg

  • Gefällt mir 9
Geschrieben
vor 5 Stunden schrieb GeorgW:

Hallo,

diese Symptomatik ist ein typisches Problem beim 348 (und auch bei anderen Modellen aus dieser Zeit) und lässt sich durch ein Anlasser-Hilfsrelais einfach und dauerhaft beheben, gibt schon diverse Themen dazu. Anlasser überholen, austauschen usw. hilft nur temporär.

 

Gruß, Georg

Das gleiche Problem hatte ich beim Testarossa. Geholfen hat ein Relais, damit der Hauptstrom beim Anlassen nicht über das Zündschloss sondern direkt von der Batterie kommt.

  • Gefällt mir 7
Geschrieben

Mein Fahrzeug hat manchmal auch das Problem, allerdings kein Ferrari.

vor 9 Stunden schrieb GeorgW:

gibt schon diverse Themen dazu.

Die Suchfunktion führt mich nur zu diesem Thread.

vor 10 Stunden schrieb Hermann F:

Wenn es nur Klick macht würde ich eher auf Magnetschalter tippen.

Aber das Ritzel spurt dann doch ein. Der Magnetschalter funktioniert. Oder schließen die Kontakte nicht?

 

vor 4 Stunden schrieb fridolin_pt:

damit der Hauptstrom beim Anlassen nicht über das Zündschloss

Kann mir nicht vorstellen, dass der Hauptstrom über das Zündschloß führt. Das dürfte ein 6 mm² Kabel sein.

vor 10 Stunden schrieb GeorgW:

lässt sich durch ein Anlasser-Hilfsrelais einfach und dauerhaft beheben,

Das Problem verstehe ich im Moment noch nicht richtig. Könntest Du mir das bitte näher beschreiben. Wo würde das Hifsrelais sitzen.

 

Viele Grüße

Schnittlauch

Geschrieben

...gemeint ist, dass dieses zusätzliche Relais durch den ursprünglichen Stromkreis des Magnetschalters gesteuert wird, und dann seinerseits den Magnetschalter steuert. Der Anlassermotor wird weiterhin durch den Magnetschalter eingeschaltet.

Gruß, Georg

 

 

 

  • Gefällt mir 4
Geschrieben

Hallo Georg, 

 

danke für deinen Input. Könntest du auf das Topic verweisen, wo das schon besprochen wurde?

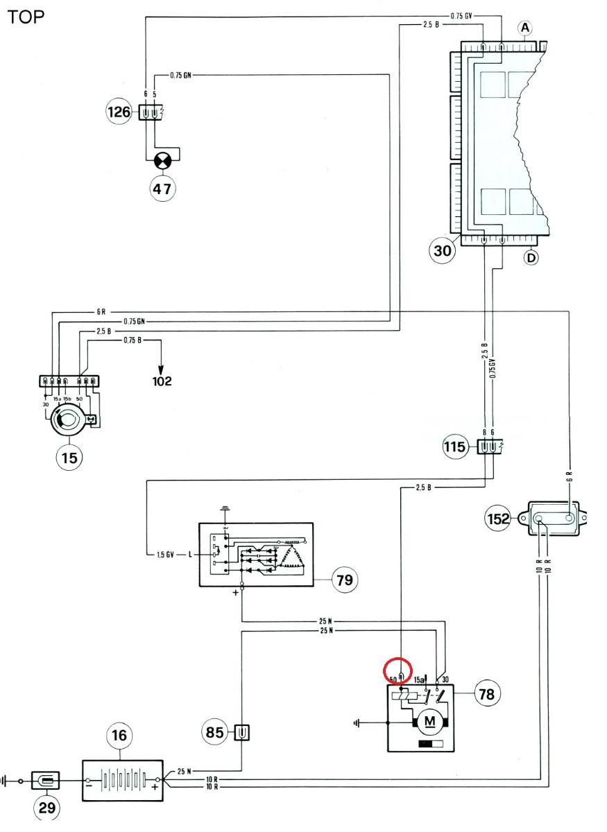
Bzw. du meinst der Anschluss/ die Leitung rot eingekreist wird normalerweise direkt über den Zündanlassschalter bestromt.

Die Kl50 würdest du dann zur Ansteuerung für ein Relais verwenden, welches dann den Strom direkt von Kl30 an den Magnetschalter bringt?

 

 

Anlasser348.jpg

  • Lösung
Geschrieben

Das wurde schon in verschiedenen Threads besprochen, finde die aber leider gerade auch nicht.:(

Das dünnere Kabel, das zum Magnetschalter führt und diesen "aktiviert", wird stattdessen zur Ansteuerung eines Relais verwendet. Dieses Relais schaltet seinerseits dann den Magnetschalter, indem ein Arbeitskontakt mit dem Magnetschalter verbunden wird (dort wo das vorher das dünne Kabel angeschlossen war), und der andere Arbeitskontakt mit dem Plus-Anschluss im Motorraum.

Auf diese Weise erspart man sich die durch Übergangswiderstände verursachten Spannungsabfälle an den verschiedenen Kontakten und Steckverbindungen im Stromkreis des Magnetschalters, und hat stattdessen nur noch das Relais zwischen Batterie-Plus und Magnetschalter.:-))!

 

Gruß, Georg

  • Gefällt mir 6
Geschrieben

 

@GeorgW

Wenn ich das jetzt richtig verstanden habe, wird das Relais vom Zündschloss (Anlasserstellung) angesteuert. Das Relais schließt und holt direkt 12V von der Batterie/Klemme 30 und leitet direkt weiter zum Magnetschalter.

 

@matflix

Du sagst, Du hörst ein „Klick“. Es kann auch sein, im Magnetschalter ist die Führungsbuchse des Einrückkolbens verschlissen. Dann verkantet der Kolben, der Hauptstrom wird nicht freigegeben.

 

Es kann auch ein Fehler im elektrischen Teil des Magnetschalters vorliegen. Dann schließt der Hauptstromkontakt nicht.

  • Gefällt mir 2
Anzeige eBay
Geschrieben
Geschrieben

Hallo matflix,

 

schau doch mal hier zum Thema Zubehör für Ferrari 348 (Anzeige)? Eventuell gibt es dort etwas Passendes.

  • Gefällt Carpassion.com 1
Jetzt registrieren, um Themenwerbung zu deaktivieren »
Geschrieben
vor 1 Stunde schrieb Schnittlauch:

Das Relais schließt und holt direkt 12V von der Batterie/Klemme 30 und leitet direkt weiter zum Magnetschalter.

Ja und nein, denn auf "Klemme 30" kommt es gar nicht an, sondern auf eine möglichst direkte Verbindung zur Batterie.

Bei einer "idealen" Elektrik (keine Übergangswiderstände bei Kontakten und Steckern) wäre es egal, und das Zündschloss macht ja nichts anderes, als eine Verbindung von "Klemme 30" zum Magnetschalter herzustellen. Im Laufe der Zeit entstehen durch Verschleiß, Korrosion, Gammel usw. an den diversen Verbindungen Übergangswiderstände, die sich addieren und einen Spannungsabfall bewirken. Dieser Spannungsabfall ist umso höher, desto größer der Strom ist (Ohmsches Gesetz). Deshalb funktioniert ein kleines Relais mit vergleichsweise hohem Innenwiderstand und geringer Stromaufnahme noch, während beim Magnetschalter mit niedrigerem Widerstand und höherer Stromaufnahme nichts mehr passiert. Eine ähnliche Problematik gibt es ja auch bei den Fensterhebern, die im Laufe der Zeit immer langsamer werden.:-(((°

Gruß, Georg

  • Gefällt mir 4
Geschrieben
vor 3 Stunden schrieb Schnittlauch:

 

 

@matflix

Du sagst, Du hörst ein „Klick“. Es kann auch sein, im Magnetschalter ist die Führungsbuchse des Einrückkolbens verschlissen. Dann verkantet der Kolben, der Hauptstrom wird nicht freigegeben.

 

Es kann auch ein Fehler im elektrischen Teil des Magnetschalters vorliegen. Dann schließt der Hauptstromkontakt nicht.

Ja, das könnte ich mir auch vorstellen. Der Fehler tritt ja nur bei wirklich gut warm gefahrenen Motor (damit auch Anlasser gut heiß) auf. Sonst nie. 

Das Klicken ist dann immer zu hören. Ich habe vorher den Test gemacht und die Kl50 vom Anlasser abgezogen. Beim Drehen der Zündanlassschalters ist dann nichts zu hören.

 

vor 38 Minuten schrieb nobby43:

Mach doch mal einen Test!

 

Fahre das Auto warm, stelle den Motor aus und starte ihn neu.

 

Wie du schreibst, springt das Ritzel in den Anlasserkranz (das Klicken was du hörst).

Messe, ob dann Spannung am Anlassermotor ansteht (vorher Kabel zum Messgerät legen).

 

Ist das der Fall, dann hängt der Anlassermotor fest.

Möglicherweise ein Lager, welches unter Temperatur festsitzt .

 

Wird es wieder kalt, dreht es sich wieder.

 

Ist nur eine Überlegung von nobby43.

 

Am Anlasser liegt aber die Klemme30 fest an. Also wenn der Magnetschalter den Kontakt nicht schaltet, müsste ich IM Anlasser (roter Strich) messen. Oder hab ich dich falsch verstanden?

Anlasser348x.jpg

Geschrieben
vor einer Stunde schrieb GeorgW:

. Im Laufe der Zeit entstehen durch Verschleiß, Korrosion, Gammel usw. an den diversen Verbindungen Übergangswiderstände, die sich addieren und einen Spannungsabfall bewirken. Dieser Spannungsabfall ist umso höher, desto größer der Strom ist (Ohmsches Gesetz). Deshalb funktioniert ein kleines Relais mit vergleichsweise hohem Innenwiderstand und geringer Stromaufnahme noch, während beim Magnetschalter mit niedrigerem Widerstand und höherer Stromaufnahme nichts mehr passiert. Eine ähnliche Problematik gibt es ja auch bei den Fensterhebern, die im Laufe der Zeit immer langsamer werden.:-(((°

Gruß, Georg

Aber warum ist das Verhalten dann nur bei heißem Motor? Die Übergangswiderstände sind doch dann nicht so wesentlich höher?

Meine Überlegung: Angenommen der Magnetschalter hat ein mechanisches/thermisches Problem. Dann könnte der Spannungsabfall über den langen Weg des Zündanlassschalters noch verschärft hinzu kommen. Das Hilfsrelais kann dann sicher helfen um dem Magnetschalter mehr Power zu geben. 

Auf wieviel Ampere würdest du das Relais (+Sicherung) auslegen?

 

Geschrieben
vor 2 Minuten schrieb matflix:

Die Übergangswiderstände sind doch dann nicht so wesentlich höher?

https://www.ingenieurkurse.de/elektrotechnik/gleichstrom/gleichstromkreise/schaltung-von-widerstaenden/temperaturabhaengigkeit-von-widerstaenden.html

Zitat

Die Leitertemperatur , also der andere Faktor, führt dazu, dass mit zunehmender Temperatur die Leitfähigkeit abnimmt und der spezifische Widerstand entsprechend zu nimmt.

 

Geschrieben

Ich hab mir mal die Kontakte vom Anlasser angeschaut. Sowohl Kl30 als auch Kl50 sahen recht ordentlich aus. Keine Korrosion an den Kontaktstellen. Hab dann trotzdem gereinigt mit Schleifpapier und Kontaktspray....

 

 

IMG_0629.JPG

Geschrieben

Der Pluspol der Anlasser-Motor befindet sich im Anlasser-Gehäuse. Dazu müsste ich diesen Öffnen. Oder liege ich falsch/denke zu kompliziert? ;)

 

Hätte ich z.B. eine Oxidschicht an dem  Kl50-Kontakt entdeckt, wäre das doch ein möglicher Einflussfaktor gewesen!?

Geschrieben

ja, außen am Anschluss des Anlassers ist Kl30 (Dauerplus).  

Geschrieben

Ja, das tut es, daher T30 oder K30 (Klemme 30 ist immer Batteriedauerplus).

 

Mit sehr hoher Wahrscheinlichkeit ist der Magnetschalter defekt, besser die Kontake intern für den Anlassermotor, kommt man von aussen nicht dran.

Im Magnetschalter wird durch einen fetten Kontakt beim Startvorgang von T30 auf den Anlassermotor durchgeschaltet.

Dieser Kontakt brennt über die Jahre ab und schaltet somit nicht mehr richtig (niederohmig durch).

Dieser Effekt ist bei hoher Temperatur stärker wie bei niedriger Temperatur.

 

Gruß

Jonas

 

  • Gefällt mir 7
Geschrieben

...Du kannst einen einfachen Test machen: wenn das Problem auftritt, dann verbinde die beiden Anschlüsse am Anlasser miteinander, z.B. mit einem Stück Kabel oder Schraubenzieher. Vorher Leerlauf einlegen! Dreht der Anlasser daraufhin, dann brauchst Du das Relais. Dreht er nicht, dann liegts an was anderem.

Gruß, Georg

 

 

  • Gefällt mir 2
Geschrieben

mit Schraubenzieher/Kabel hätte ich kein gutes Gefühl mit der ungesicherten Kl30 versehentlich an Masse zu kommen. 

Ich werde Kl50 und Kl30 am Anlasser mit je einem Messkabel versehen und über ein Speicher-Oszi die Differenzspannung messen.

Einmal bei kalt (i.O.) und bei heiß (n.i.O und i.O. Fall; i.O. da ja nach 3, 4 Mal Betätigen der Anlasser geht).

Liegt ein signifikanter Spannungsabfall vor: Kabel / Kontakte; Relaislösung.

Im anderen Fall dann wohl der Magnetschalter.

 

Vielen Dank schonmal für euere hilfreichen Inputs. Fehlerbild ist deutlich eingegrenzt.

 

Ich berichte.....

 

  • Gefällt mir 3
Geschrieben

Es reicht, wenn du dir die K50 anschaust, auf der K30 am Anlassereingang wirst du heftige Spannungsschwankungen messen, das ist normal.

Wenn dann würde es eher Sinn machen den Kontakt hinter dem Relais messen der im Magnetschalter durchgeschaltet wird, dann weisst du was am Motor ankommt.

 

Gruß

Jonas

Geschrieben

wenn der Anlasser dreht bekomme ich Spannungseinbrüche auf der KL30 und allen anderen spannungsführenden Klemmen.

Daher möchte ich die Differenz Kl50 zu Kl30 betrachten, damit gleiche ich das aus. So meine Denke....

Geschrieben
vor 10 Minuten schrieb matflix:

wenn der Anlasser dreht bekomme ich Spannungseinbrüche auf der KL30 und allen anderen spannungsführenden Klemmen.

Daher möchte ich die Differenz Kl50 zu Kl30 betrachten, damit gleiche ich das aus. So meine Denke....

Probiers aus, Versuch macht kluch👍

 

Gleichzeitg würde ich auch mal schauen, ob der Magnetschalter einzeln erhältlich ist, der Tausch des Magneten ist keine große Sache schon gar nicht, wenn der Anlasser draussen ist.

Die Anlasser sind normalerweise sehr robust und lassen sich problemlos reparieren, meinen vom 456 habe ich neulich mal zerlegt und gesäubert, bisschen gefettet und das wars.

 

Von welchem Hersteller ist eigentlich der Anlasser des 348, BOSCH, Denso, ...?

 

 

Gruß

Jonas

2023-05-27-18h54m11.jpg

  • Gefällt mir 6
Geschrieben

Ich schreib das als nicht Ferrari-Fahrer und weiß auch nicht welcher Anlasser eingebaut ist.

 

Der Magnetschalter benötigt etwa 15 A. Der Anlasser benötigt ca. 200A. So könnte festgestellt werden, ob der Motor überhaupt Strom zieht. Berichte bitte, wie die Sache ausgeht

 

Hier Bilder, wie das Innere eines Bosch-Magnetschalters aussieht. Ganz links der Kolben mit dem Schlitz für den Einrückhebel. Auf dem Teil rechts die Kontakte für den Hauptstromkreis. Das Blättchen davor verbindet die Kontakte.

CP1.thumb.jpg.81f2677a8e61b002b261b460646ce146.jpg

... und die Rückseite

CP3.thumb.jpg.6ff4e61e8ceffd168fbcd91e5d96cbc7.jpg

 

 

  • Gefällt mir 5
Geschrieben
vor 2 Stunden schrieb matflix:

mit Schraubenzieher/Kabel hätte ich kein gutes Gefühl mit der ungesicherten Kl30 versehentlich an Masse zu kommen. 

Ich werde Kl50 und Kl30 am Anlasser mit je einem Messkabel versehen und über ein Speicher-Oszi die Differenzspannung messen.

...viel zu umständlich, erst recht für jemanden der mit einem Speicher-Oszi umgehen kann.:???:

Wenn Dir das mit einem Schraubenzieher zu heikel ist, dann mach Dir ein Kabel mit einem Kabelschuh an dem einen Ende, das steckst Du anstelle des dünnen Kabels auf den Magnetschalter, das andere Ende hältst Du dann an den Pluspol im Motorraum: der Anlasser sollte daraufhin drehen. Kannst bei Bedarf auch noch eine fliegende Sicherung ins Kabel integrieren, nur wozu?

Gruß, Georg

  • Gefällt mir 3

Erstelle ein Benutzerkonto oder melde dich an

Du musst ein Benutzerkonto haben, um einen Kommentar verfassen zu können

Benutzerkonto erstellen

Erstelle ein neues kostenloses Benutzerkonto.

Jetzt registrieren

Anmelden

Bereits Mitglied? Melde dich hier an.

Jetzt anmelden


×
×
  • Neu erstellen...