Jump to content
EUROPAS GROßE
SPORTWAGEN COMMUNITY

Diablo Alternatorregler und Kondensator


paul01

Empfohlene Beiträge

Geschrieben

Hallo,

 

für Interessierte hier ein Paar Bilder vom Tausch des Reglers und Kondensators der Lichtmaschine (Alternator) bei einem 92er Diablo. Es ist wirklich sehr einfach und für ganz kleines Geld machbar. Hintergrund war damals, dass nach dem Starten nicht die Lichtmaschinenspannung von ca. 14V anlag. Erst nach vielen Hundert Metern Fahrt war alles normal. Das hat mich aber verunsichert. Ich dachte, dass wegen eines Fehlers das Einschalten erst durch Selbsterregung (keine Schweinerei) bei höherer Drehzahl erfolgte.

Dann also Regler und Kondensator getauscht, aber das Problem war nicht weg, zumindest nicht gleich. Einige Fahrten später war es dann weg. So kann man also auch reparieren. Zumindest war dann der Deckel sauber wie nie.

 

Diesen Deckel mit den Muttern runternehmen:

Alternatorregler1.thumb.JPG.31788b1b1e7f

Dann sieht man links den Regler und rechts den Kondensator:

Alternatorregler3.thumb.JPG.53cc6eb793ab

So sieht es mit abgenommenem Regler aus:

Alternatorregler2.thumb.JPG.a8991b5b97e0

Und hier die Artikelnummern der beiden bei meinem 92er:

Alternatorregler4.thumb.JPG.b29d93f141ecAlternatorregler5.thumb.JPG.0e7ffabbb96c

Gruß

Paul

  • 2 Wochen später...
Jetzt registrieren, um Themenwerbung zu deaktivieren »
  • Antworten 94
  • Erstellt
  • Letzte Antwort
Geschrieben

Hallo,

auch hier fehlen Infos, wenn das jemand noch nie gemacht hat:

  1. Am Regler sind die Bürsten mit drauf, wie es meist üblich ist.
  2. Wer also den Regler tauscht, sollte  die Bürsten anschauen, wenn z.B. eine komplett abgenutzt ist, die andere wenig Abnutzung hat, dann Alarm. Unbedingt durch das Loch (Spiegel, Kamera, Handy) den Schleifring anschauen. Wenn der nicht mehr messing/kupferfarben ist wie oben im Bild, dann kann man das Spiel abbrechen. Der Generator muss dann überholt werden. Das ist aber auch kein Hexenwerk. Ausbauen. Man würde dann außer dem Schleifring auch die beiden Wälzlager tauschen. Einbauen. Und bei dieser Gelegenheit Riemen neu.

Gruß

Paul

  • 1 Jahr später...
Geschrieben

Hallo,

Am 3.12.2015 um 19:26 schrieb paul01:

nach dem Starten nicht die Lichtmaschinenspannung von ca. 14V anlag. Erst nach vielen Hundert Metern Fahrt war alles normal.

Das hatte ich jetzt nach über einem Jahr wieder 2 Mal innerhalb einer Woche. Wenn also jemand was weiß ?

Es ist nichts Wildes, da bei einmaligen ca. 2500 U/min die Lichtmaschine normal arbeitet.

Gruß

Paul

Geschrieben

Paul, wie ist die Ladekontrolleuchte geschaltet? Bei "klassischer" Schaltung erfolgt die Erregung über die Ladekontrolleuchte und die würde bei schwacher/defekter Erregerspule dann zumindest ein bissl leuchten. Weniger bekannt ist, dass eine durchgebrannte Ladekontrolleuchte dazu führt, dass die Lima nicht erregt wird und folglich keinen Strom "erzeugt". Weswegen immer geprüft werden sollte, ob die Leuchte bei eingeschalteter Zündung leuchtet.

 

Wenn die Ladekontrollleuchte jedoch über eine Elektronik anzeigt, taugt sie eher nicht dazu. Fehler in der Erregerspule zu detektieren.

Geschrieben

das mit dem erst ausgehen wenn einmal gas gegeben wurde ist bei der Generatorbauart teilweise normal(speziell bei denen ab ca.90A )...die dazu nötige Drehzahl hängt schlicht von der grösse der Riemenscheibe bzw.der Übersetzung ab...bei mir sind es 1500U/min(ich hab aber nur so nen alten passat:))...verstärkt wird das"symptom" teils durch eine schwächelnde Batterie bei der es dann eher auffällt.

Geschrieben

Tom, wie würde sich ein Nebenschluss in der Erregerspule auswirken? Ich würde vermuten, dass dann ebenfalls die Lima erst bei höheren Drehzahlen (als normalerweise bei intakter Erregerspule) loslegen würde.

Geschrieben

...oder es gibt garkeine Erregung...wobei ich schon den fall hatte dass kunde mit ausgebautem cokpit rumfährt der Generator aber trotzdem arbeitet selbst bei einer gleichstromlima(käfer)

wobei ich da von schlicht Restmagnetismus ausgehe der ausreicht zu erregen

...aber ich bin kein Elektriker...eher das Gegenteil...stehe mit dem mist auf kriegsfuss :lol:

Geschrieben

Hallo Bernhard, hallo Tom,

 

jetzt sind es 3 Fahrten mit diesen Symptomen:

Anmachen im kalten Zustand: Spannungsanzeige=Batteriespannung (leicht über 12V)

Anmachen im halbwarmen Zustand nach 1-2 Std. Stillstand für Rückfahrt: Spannungsanzeige=deutlich über 13V

 

vor 5 Stunden schrieb Jarama:

wie ist die Ladekontrolleuchte geschaltet? Bei "klassischer" Schaltung erfolgt die Erregung über die Ladekontrolleuchte und die würde bei schwacher/defekter Erregerspule dann zumindest ein bissl leuchten.

Schaltung weiß ich nicht. Die Leuchte funktioniert aber und ist beim Starten sofort aus wie es sein soll.

 

vor 5 Stunden schrieb planktom:

schwächelnde Batterie

ausgeschlossen in diesem Fall.

 

vor 4 Stunden schrieb Jarama:

Nebenschluss in der Erregerspule

nix verstehen

 

vor 4 Stunden schrieb planktom:

ich bin kein Elektriker...eher das Gegenteil

Angeber. Elektriker sind die mit dem Kurzen ...

 

Gruß

Paul

Geschrieben

Wenn dein Instrument zur Spannungsanzeige analog ist, liegt meine Vermutung hier. 

Geschrieben

In dem Rotor ist eine Ringspule, die ein Magnetfeld erzeugt, welches dann rotiert und in den Statorspulen die Wechselspannung (3 Phasen, 3 Statorspulen) erzeugt.

 

Ohne Magnetfeld durch die rotierende Ringspule gibbet keinen Strom. Woher nehmen den Strom? Wenn das Teil erstmal läuft, kein Problem, die Statoren liefen ja Strom, davon wird ein wenig abgezweigt. Aber das muss erstmal "anlaufen", also die Ringspule braucht irgendwoher Strom, damit sie bei der Rotation im Stator Strom erzeugen, der dann der Erregerspule wieder zugeführt wird usw.

 

Mit Einschalten der "Zündung" wird Batteriestrom auf die noch ruhende Ringspule im Rotor gegeben, sie wird also "erregt". Beginnt sie nun zu rotieren, wird eben der Strom im Stator erzeugt. Ohne diese initale Erregung tut sich jedoch nix, egal wie wild der Rotor rotiert.

 

Hat die Ringspule einen Nebenschluß, dann wird sie halt weniger erregt (die Spule ist durch den internen Nebenschluß quasi kleiner geworden) und bis das Ganze anläuft brauchts dann bissl mehr Drehzahl. Die Leistung der Lima ist aber nicht notwendigerweise deutlich reduziert, da die Höhe des Erregerstroms, wenn denn der Prozess erstmal angelaufen ist, eher unkritisch ist.

 

Bei moderneren Autos läuft die initiale "Erregung" über den Regler. Aber den hast Du ja schon erneuert, daran kanns nicht liegen. Es sei denn, Du hast das Teil vom Werk gekauft. Die Teile können auch mal OEM-kaputt sein.

Anzeige eBay
Geschrieben
Geschrieben

Hallo paul01,

 

schau doch mal hier zum Thema Zubehör für Lamborghini Diablo (Anzeige)? Eventuell gibt es dort etwas Passendes.

  • Gefällt Carpassion.com 1
Jetzt registrieren, um Themenwerbung zu deaktivieren »
Geschrieben
vor 5 Stunden schrieb planktom:

.oder es gibt gar keine Erregung..

 

Das wäre mal ein echtes Problem!!!

 

Ansonsten:

Lädt = kein Problem

Lädt nicht = irgendwann ein Problem(chen)

Lädt irgendwie mit Verzögerung = Luxusproblem(chen)

 

Ihr habt Probleme!:P

Geschrieben

In diese Richtung geht auch meine Vermutung. Rotor im kalten Zustand schwergängig oder ähnliches!

Geschrieben

Hallo,

vor 2 Stunden schrieb Doc Hollywood:

Wenn dein Instrument zur Spannungsanzeige analog ist, liegt meine Vermutung hier.

Ist analog. Meinst du falsche Anzeige ? Die Spannung wird ja bereits bei "Zündung ein" angezeigt. Da sehe ich bisher keinen Angriffspunkt. Habe die Spannung aber auch nicht gemessen bisher. Evtl. messe ich mal. Ist schnell gemacht.

 

vor 2 Stunden schrieb Jarama:

die Spule ist durch den internen Nebenschluß quasi kleiner geworden

Jetzt verstanden. Du meinst einen Kurzschluss, also Brücke benachbarter Windungen. Als mögliche Ursache für mich noch nicht ganz klar, da es meist ja geht. Möglich wäre da aber schon was.

Bei "Zündung ein" muss also Erregerspannung anliegen. Das sollte sich messen lassen.

 

Kai´s Beitrag ist am einfachsten zu verstehen. 

 

Gruß

Paul

 

 

Geschrieben
vor 27 Minuten schrieb paul01:

analog. Meinst du falsche Anzeige ? Die Spannung wird ja bereits bei "Zündung ein" angezeigt. Da sehe ich bisher keinen Angriffspunkt. Habe die Spannung aber auch nicht gemessen bisher. Evtl. messe ich mal. Ist schnell gemacht.

Wenn jetzt der Zeiger sich nur langsam in Richtung 12 Volt bewegt, würde das meine Vermutung unterstützen. Springt er aber an die Position, wars das nicht.

Geschrieben
vor 12 Stunden schrieb paul01:

Kai´s Beitrag ist am einfachsten zu verstehen. 

 

Gruß

Paul

Moin Paul,

 

ich muss die ja auch selbst verstehen, da ist das dann einfach zu schreiben! :P

 

Vielleicht doch etwas ausführlicher:

Aus der guten alten Zeit kenne ich noch genügend Lichtmaschinen die einfach Ihre Zeit benötigten um satt in Schweiß (der Fachmann würde sagen in helle Erregung) zu kommen, insfern sehe ich da gar nichts Ungewöhnliches.

Gönne der alten Lady doch einfach etwas Zeit...:P ist bei uns doch auch....

 

Warum fällt uns das nur meist nicht auf? Genau, die meisten KFZ haben kein Spannungsmeßinstrument...

Des nächtens bei eingeschaltetem Licht siehst du das hingegen, da changiert jenes plötzlich von dustergelb zu hellgelb.

 

Wissen wir nur im Zeitalter von blendendglitzernden LED Matrixbeleuchtungen nicht mehr, und ausserdem haben die alle keine Spannugsanzeigen mehr, paßt da auch gar nicht mehr rein neben Navi, Netflix, Handy, Hot Spot, usw. usw.

 

Ergo, tue einfach mal nichts, auch wenn es Dir schwer fällt, und genieße den Wechsel der Gelbschattierungen des Fahrlichtes, glaub mir das können nicht (mehr) Viele!

 

Geschrieben

Hallo,

vor 19 Stunden schrieb Doc Hollywood:

Springt er aber an die Position

ja springt von Batteriespannung ca. 12.5 V auf Generatorspannung 13,5...14 V.

 

vor 7 Stunden schrieb Kai360:

tue einfach mal nichts

Doch, das kann ich gut. Es ist schon so: Wenn die Spannungsanzeige nicht wäre, würde man auch nichts merken. Aber das ganze ist nicht unbedingt Diablo-spezifisch. Wenn also was rauskommt, können das evtl. auch andere Leute brauchen.

 

vor 20 Stunden schrieb paul01:

Bei "Zündung ein" muss also Erregerspannung anliegen. Das sollte sich messen lassen.

Wohl doch nicht so einfach. An den Anschluss komme ich nicht dran. Dazu müsste der Generatorlüftungsdeckel runter und dazu muss die hintere Abdeckung und die  Auspuffabdeckung (Hitzeschutz) runter. So kann man aber dann nicht fahren. Das Ganze ist ja nicht sicher wiederholbar.

 

Das ist ein altes Bild. Am blauen Pfeil Generatorausgangsspannung. Dann bleibt nur noch der rote Anschluss für die Erregerspannung. Und die Masse für alles muss dann über das Gehäuse gehen.

Lam_Generator1.thumb.JPG.7ec1c31f012608967cab3882470ced6f.JPG

Wo das dünne Kabel vom roten Pfeil hingeht, kann ich nicht verfolgen.

 

Evtl. ist da doch noch ein Relais oder so was beteiligt.

Gruß

Paul

 

Geschrieben

Hallo,

habe noch das gefunden, wo auch mal eine Drehzahl in meinem Bereich genannt wird.

 

Quelle:http://www.1a-anlasser.de/downloads/Lichtmaschine-Diagnose-bei-Fehlfunktion.pdf

"Wenn die Ladekontrolle beim Einschalten der Zündung nicht brennt,SOFORT die defekte Birne erneuern . Grund dafür ist ,das die Drehstromlima eine Anfangserregung über die Ladekontrolle braucht. Ansonsten fängt sie erst ab 2000 rpm an zu laden ."

 

Da ist auch wieder die Erregerspannung wie bei Tom und Bernhard angedeutet. Dann drehen wir das mal um. Gehen einfach davon aus, dass die Erregerspannung nicht (immer) reicht. Und dafür die möglichen Ursachen ?

 

Die Ladekontrollleuchte ist da wohl in Serie mit der Zündung und der Erregerwicklung geschaltet. Evtl. noch weitere Widerstände ? Wenn z.B. sich der Widerstand der Leuchte ändern (erhöhen) würde, könnte da evtl. zuwenig Strom fließen. Nur so eine Annahme. Habe noch nie gehört, dass es das gibt.

 

Gruß

Paul

Geschrieben

so wird bei 80er jahre vw/audi geprüft ...die blaue leitung ist die erregerstromleitung (D+)und hatte damals in der regel eine trennbare steckverbindung im motorraum

58fb8cd080f37_Generatorkontrolleuchtegehtnichtaus-Vorerregerstromkreisprfen1.thumb.jpg.1822f7eaceadde42b6a82bfcae8099f9.jpg58fb8cd33b0f4_Generatorkontrolleuchteleuchtetnicht1.thumb.jpg.88fcd862dd2759f2ae21ca6d83bcf69c.jpg

58fb8f0cc1d59_GeneratorundSpannungsreglerprfen.thumb.jpg.ade3cff08f81da0017a9351cc8f68c08.jpg

Geschrieben

Hallo Tom,

danke für das Raussuchen. Gleich das auf der ersten Seite linke Spalte unterstreicht das mit dem zu geringen Erregerstrom. Welcher nun bei meinem gebraucht wird, weiß ich nicht. Das geht aber in die richtige Richtung.

Mal überlegen, wie ich da was messen kann.

Gruß

Paul

Geschrieben
vor 13 Stunden schrieb paul01:

eine Anfangserregung über die Ladekontrolle braucht. Ansonsten fängt sie erst ab 2000 rpm an zu laden ."

 

vor 16 Stunden schrieb paul01:

 

Am 22.4.2017 um 08:10 schrieb Kai360:

tue einfach mal nichts

Doch, das kann ich gut. Es ist schon so: Wenn die Spannungsanzeige nicht wäre, würde man auch nichts merken.

 

Paul, was wollen dir diese beiden Zitate sagen? ;)

No problem! :P

Aber vielleicht sehe ich das auch zu einfach / pragmatisch?

 

 

Geschrieben

Hallo,

ein dickes Problem liegt nicht vor, wenn es nicht schlimmer wird. Aber auch nicht ganz normal, da mal so mal so. Verschwindet evtl. sogar wieder für eine Weile.

 

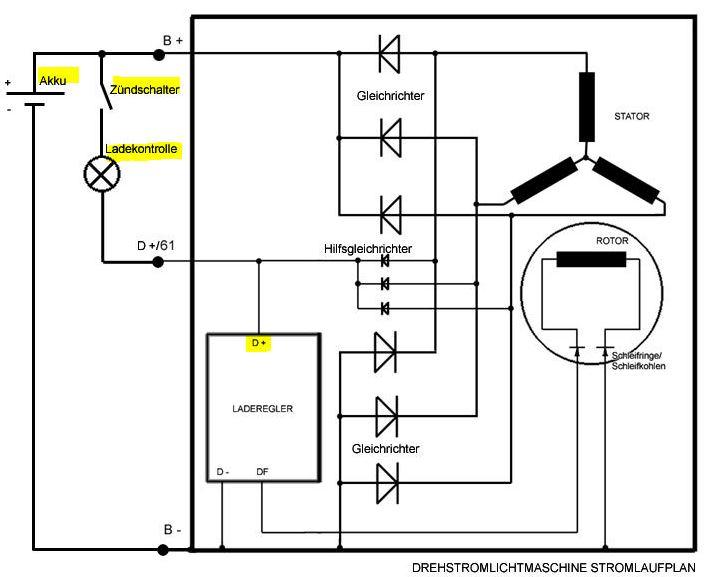
Für mich gibt es jetzt bereits eine neue Erkenntnis: Wenn die Ladekontrollleuchte nach dem Start ausgeht, bedeutet das nicht, dass die Lichtmaschine lädt.

 

Da das Folgende zu meinem bisherigen Verständnis passt, hier mal ohne Bezug auf den Diablo (Quelle: http://de.academic.ru/dic.nsf/dewiki/352108#Ladekontrolllampe_bei_der_Drehstromlichtmaschine ):

 

Lam_Generator2.thumb.JPG.bca488e96cd9135ef3867dadb351341f.JPG

 

Lam_Generator3.thumb.JPG.9a28a8d256009c81194af9d24b126375.JPG

 

Lam_Generator4.thumb.JPG.b28072c4db21308ff982db4227dbf51c.JPG

Wenn also der Motor läuft, sollte oben und unten an der Leuchte die gleiche Spannung (hier +) anliegen und deshalb leuchtet es nicht.

 

Gruß

Paul

Geschrieben

Korrekt dargestellt.

 

Allerdings verstehe ich nicht Deine Schlußfolgerung "wenn die Leuchte ausgeht bedeutet das nicht, dass die Lima läd". Sie erzeugt jedenfalls hinreichend Strom, um die Rotorspule (Erregerspule) mit Strom zu versorgen, was Du eben daran erkennst, dass die Leuchte dann (und nur dann, es sei denn sie brennt gerade durch) ausgeht, wenn an beiden Polen der Leuchte die Batterie-Ladespannung anliegt.

Geschrieben

Genau, Batteriespannung (z.B. 12,5V) reicht zum Lampe ausknipsen. Es muss keine Ladespannung (z.B. 14V) da sein.

Geschrieben

Hallo,

jetzt wird es kompliziert:

 

Heute blieb bei "Zündung ein" die Ladekontrollleuchte aus (mehrmlas probiert)

Nach Starten wieder erst bei ca. 2300 U/min Ladespannung vom Generator.

Kurze Fahrt, Motor aus, "Zündung ein" und die Ladekontrollleuchte leuchtete wieder wie es sein soll.

 

Hintergrund des Ganzen war ein Test, um die Erregerleitung zu finden. Wollte eine Steckverbindung im Motorraum öffnen bei "Zündung ein" und schauen, ob die Ladekontrollleuchte ausgeht. Hatte die Steckverbindung zwar angefasst, aber nicht geöffnet vor dem ersten "Zündung ein".

Vor der Fahrt hatte ich Sicherungen im Beifahrerfussraum und in der Motorraumblechkiste geprüft und dabei immer wieder "Zündung ein", aber Ladekontrollleuchte bleib aus.

 

Das bedeutet, dass genau das gleiche Verhalten da ist, egal ob die Ladekontrollleuchte brennt oder nicht vor dem Start. Das deutet nun noch mehr auf den Erregerkreis hin. Kompliziert für mich ist, warum die Lampe nach der Fahrt wieder normales Verhalten hatte.

 

Gruß

Paul

Archiviert

Dieses Thema ist archiviert und für weitere Antworten gesperrt. Erstelle doch dein eigenes Thema im passenden Forum.


×
×
  • Neu erstellen...