Jump to content
EUROPAS GROßE
SPORTWAGEN COMMUNITY

348 Klimasteuerung


roter Flitzer

Empfohlene Beiträge

Geschrieben

bitte um hilfe

mein 348 tb hat ein problem mit der klimateuerung . die klima startet von selbst - ventilator volle stufe . durch druck auf die abdeckung unter kühlwasser und tankuhr rückstellung der fehlfunktion.störrung ist nicht

immer - oder auch merhrmals hintereinander . kann mir jemand einen tip geben ?

neue steuerung ca €2000.- wens anders geht wärs mir lieber.

danke im vorraus vom roten flitzer

Jetzt registrieren, um Themenwerbung zu deaktivieren »
Geschrieben

Ich verstehe zwar nicht so ganz genau was du meinst mit Rückstellung etc., scheint aber eher ein Wackelkontakt zu sein.

Ist die Sicherung noch ok? Kontakte alle ok?

Geschrieben

Wilkommen im club. Hab das Problem auch gerade, nur bei mir gehts komplett aus. Wies jemans wie man das Teil ausbaut um die Stecker zu überprüfen?

Geschrieben

hallo v8

kontakte und sicherungen ok. -durch einen druck oberhalb der mitleren grünen

ledabdeckung (zwischen den runden instrumenten und der led)

rüchfall in den normalbetrieb - wackelkontakt oder lötstelle warscheinlich -

eure erfahrungen wären mir eine große hilfe - vor der demontage-

danke

Geschrieben

Hallo!

Habe mich letztes Jahr damit etwas auseinander gesetzt, oder gesagt "müssen";

bei mir war's aber schlussendlich die verbrannte Leistungstransistor-Elektronik, vorne beim Lüfter.

Aber: ich habe zuerst auch die Elektronik auseinander gebaut, und die Lötstellen kontrolliert, sowie 2 kleine Widerstände da drin ersetzt, das von diesen der Mantel völlig zerbrochen war.

Hatte aber keine Veränderuing oder Verbesserung gebracht - bis auf das Leuchten der LED's in den Tasten:

vorher gingen die plötzlich aus oder wurden auf einen Schlag schwächer (!), und erst bei Drücken einer Taste wurden sie wiede heller (Spar-Prg???:D ), aber jetzt leuchten sie wieder schön konstant und zwar dauernd!

Ich tippe bei Dir auch auf Wackelkontakte oder Stecker-Problem, hinten an dem Klimateil. Dieser Stecker muss richtig eingesteckt werden und mit der Sicherung (Plastik-Verschluss) gesichert werden! Falls dieser Verschluss weg ist oder abgerochen, zieht sich der Stecker von der einen Seite immer wieder etwas heraus, sobald man das Teil wieder eingebaut hat - meine eigene Erfahrung!

Falls Dir Code/Fehler-Nummern erscheinen im Display, E1 ... E8:

- siehe Bild im Anhang!

Noch ein Tipp für den Ausbau:

Lass das Klimateil an der Frontplatte kleben, also nicht weglösen oder so! Du ersparst Dir viel Ärger! Bist du das Ganze wieder sauber kriegst, zum frisch Verkleben... :-(((°

Aufbau:

Wenn Du das Teil auseinander baust, findest du eine "Sandwich-Bauweise" vor: die beiden Platinen sind via Steckverbindung (nicht gelötet) ineinander gesteckt. Diese VORSICHTIG und schön parallel auseinanderziehen.

(Hab leider keine Fotos gemacht damals...)

Hoffe es hilft dir mal weiter...

Sonst hätte icjh hier in der Schweiz eine gute Adresse, um solche Elektronik Teile reparieren zu lassen: AutoMeter AG (http://www.autometer.ch), der kompetente Techniker hatte mich damals auf die Idee mit dem Leistungs-Transistor-Teil gebracht, weil, ich wollte schon das Klima-Teil schon ihnen zuschicken.

Aber in D. gibt's auch ne Firma, die defekte Elektronik Teile von Autos repariert, kam erst vor Kurzem ein Bericht im TV!

post-48066-144353178435_thumb.gif

Geschrieben
:-))! Das nenn ich jetzt mal eine kompetente Antwort, sf348! :goodposti
Geschrieben

Wie baut man denn das Klimabedienteil aus? Mein Lüfter läuft manchmal schwach, da hilft auf den Lüfter hauen. Vermute also ich hab beides :cry:

Ist das schwer den Lüfter auszubauen?

MfG Dominik

Geschrieben

wenn ich mich jetzt recht entsinne dann mußt Du den Aschenbecher und die Schaltkulisse abschrauben, dann kannst Du die Konsole etwas nach hinten bewegen und das Klimateil ist daraufhin lose. Evtl. mußt Du noch das rechte Seitenteil der Mittelkonsole abschrauben um an die Kabel dranzukommen. Der Lüfter müßte von vorn (Kofferraum) zugänglich sein.

Frohes Schaffen und Gruß, Georg

Geschrieben

Danke Georg, darfst gerne vorbei kommen und helfen. :D

Anzeige eBay
Geschrieben
Geschrieben

Hallo roter Flitzer,

 

schau doch mal hier zum Thema Zubehör für Ferrari 348 (Anzeige)? Eventuell gibt es dort etwas Passendes.

  • Gefällt Carpassion.com 1
Jetzt registrieren, um Themenwerbung zu deaktivieren »
Geschrieben

Es ist genau so, wie es GeorgW beschrieben hat. Unbedingt auch den Aschenbecher lösen! Sonst bricht der kleine Grat am Aschenbecher schnell ab. Ich mir leider auch passiert, als ich dachte ich sei schneller, wenn ich nur die Schaltkulisse löse. Das Ding ist recht teuer. :oops:

Unter den Aschenbecherschrauben sind meist auch noch Unterlagscheiben platziert. Beim Befestigen des Aschenbechers diese auch wieder montieren, sonst ist dann der Druck auf die Umrandung zu stark.

Geschrieben
:danke: toller beitrag - nur weiter so gruß roter flitzer
Geschrieben

Ja, genau, den Tipp mit dem Lösen der Teile habe ich doch glatt vergessen... :oops: na ja, war schon wieder ein paar Schritte zu weit mit meinen Gedanken...

...

Unter den Aschenbecherschrauben sind meist auch noch Unterlagscheiben platziert. Beim Befestigen des Aschenbechers diese auch wieder montieren, sonst ist dann der Druck auf die Umrandung zu stark.

Sag mal, habt ihr auch Unterlegscheiben darunter?? Also für die 2 Bef.Schrauben des Aschenbechers?

Ich dachte, die hätte mal mein Mech. oder mein Vorgänger runter gemacht, als er dieses mal ausgebaut hatte oder so.

Ist aber ein guter Tipp!

Ist genau so, "Ferrari-V8" es schreibt: der Druck wird etwas zu gross für die Umrandung und dann sieht's a) nicht schön aus, nicht formschlüssig, B) ist die Bewegung nicht so "smooth"! :D

Geschrieben
Wie baut man denn das Klimabedienteil aus? Mein Lüfter läuft manchmal schwach, da hilft auf den Lüfter hauen. Vermute also ich hab beides :cry:

Ist das schwer den Lüfter auszubauen?

MfG Dominik

Das mit dem "Hau-den-Lüfter" hast Du schon mal irgendwo geschrieben, gel?

Ist natürlich schwer zu sagen, ob's jetzt der Leistungs-Transistor ist, Wackelkontakt oder so, oder ob's der Lüfter selber ist (ich hoffe nicht!).

Aber eines von den beiden müsste es fast sein.

Gibt's ab und zu mal einen Fehler-Code auf dem Klima-Display?

Wenn nicht, dann scheint die Klima-Elektronik nichts zu merken, resp. keine Fehlerströme und -Rückmeldungen.

Aber wenn wir schon mal dabei sind:

Den Lüfter auszubauen, naja, das gibt es Aufwand.

Obwohl ich den selber noch nie draussen hatte, musst Du auf jeden Fall mal den Teppich/Verkleidung vorne im Kofferraum rausnehmen. Das ist nicht soo aufwendig wie's zuerst scheint:

Abdeckung oberhalb Lüfter abschrauben, sowie die Metall-Leisten nicht vergessen wegzuschrauben (im Kofferraum selbst), alle "Deckel" entfernen dann die Gummidichtung vorsichtig rausziehen; die Verkleidung selbst "zickt" vielleicht etwas rum :D - geht zu zweit besser als alleine.

Danach kannst Du dich z.B. auch in den Kofferraum reinstellen :-o und so kommst super an alles ran.

Der Leistungs-Transistor ist unterhalb rechts des Lüfters angebracht.

Im Anhang 2 Bilder, wie das Ganze aussieht und noch die Legende dazu.

Mach vllt. totzdem noch ein Foto, bevor Du da was auseinander reisst - kann hilfreich sein, dann hast Du nicht so lange beim Wieder-Zusammenbauen wie ich. O:-)

Kabel & Stecker: zuerst alle um den Lüfter herum kontrollieren.

Ich hatte z.B. ein braunes, verletztes Kabel kurz vor dem Stecker, glaube war sogar für den Lüfter.

Hab übrigens den Lüfter gereinigt! Das hat sich rentiert - was da an Staub & Dreck dranhängt! (hihi... vllt. "mag" dein Lüfter wegen dem nicht immer richtig drehen, hehe!)

Viel Spass & Erfolg!

post-48066-14435317857996_thumb.gif

post-48066-14435317859564_thumb.gif

Geschrieben

Sag mal, habt ihr auch Unterlegscheiben darunter?? Also für die 2 Bef.Schrauben des Aschenbechers?

Ich dachte, die hätte mal mein Mech. oder mein Vorgänger runter gemacht, als er dieses mal ausgebaut hatte oder so.

Ist aber ein guter Tipp!

Ist genau so, "Ferrari-V8" es schreibt: der Druck wird etwas zu gross für die Umrandung und dann sieht's a) nicht schön aus, nicht formschlüssig, B) ist die Bewegung nicht so "smooth"!

Wenn Giuseppe beim Zusammenbau des 348 in Maranello gerade Lust hatte, hat er Unterlagscheiben montiert, sonst halt nicht. 8)

Ohne war er dann "gewichtsoptimiert". War sicher als Option lieferbar. :D

Geschrieben

Hab gestern meine Klima von R-12 auf R134a umgerüstet. Ganz schön eng den Kompressor auszubauen. Dann noch den Trockner neu gemacht und Adapter auf die R-12 Anschlüsse und alles wieser zusammengebaut.

Muss die Tage noch befüllen und das Bedienteil sowie den Lüfter untersuchen.

Schreib euch mal was es ergeben hat.

Bis jetzt ca 2,5 Stunden Arbeit.

Fehlermeldungen hab ich keine, nur das jetzt zweimal die beleuchtung im Bedienteil schwächer wurde und kurz später das Bedienteil ganz ausging. Konnte es zwar wieder anstellen, doch es schaltete sich wieder ab. Am nächsten Tag war alles wieder normal.

Danke für eure Tips.

  • Mitglieder
Geschrieben

Ich würde an der Steuereinheit des 348er eine modifizierung machen,die haben einen Bekanten Problem,die Wasser Umwälzpumpe wird vom dem Steuereinheit mit Strom versorgt,da diese kleinen Pumpen mit der Zeit anfangen schwer zu laufen verbrauchen sie dann mehr Strom was die Folgen hat dass betroffene platinen und andere Komponenten heiss laufen,und damit kaputtgehen,und dann fangen sie an zu spinnen,die bringen meistens aber auch im Display eine Fehlermeldung (errinnere mich nicht mehr was für eine Zahlencodierung vielleicht T8 oder T9 oder sowas).

es wird empfolen einen Rally dazwischen zu setzten es gibt sogar einen kleinen fertigen Kabelbaum wo der der Rally schon drin miteingebaut ist,mit Stecker man brauch es nur dazwischen zu stecken.ca.30 Euro kosten.

nach dem umbau ist es so dass die Steuerung das Rally ansteuert und nicht mehr die Umwälzpumpe,also egal wieviel Strom verbraucht wird die Steuerung wird nicht drunter leiden.

die Steuerungen gibt es über Ferrari nicht mehr als Neuteil sondern...man kann´s einschicken und der kommt repariert wieder zurück,kosten waren ca. 900 Euro.

Gruss Tony

Geschrieben
Ich würde an der Steuereinheit des 348er eine modifizierung machen,die haben einen Bekanten Problem,die Wasser Umwälzpumpe wird vom dem Steuereinheit mit Strom versorgt,da diese kleinen Pumpen mit der Zeit anfangen schwer zu laufen verbrauchen sie dann mehr Strom was die Folgen hat dass betroffene platinen und andere Komponenten heiss laufen,und damit kaputtgehen,und dann fangen sie an zu spinnen,die bringen meistens aber auch im Display eine Fehlermeldung (errinnere mich nicht mehr was für eine Zahlencodierung vielleicht T8 oder T9 oder sowas).

Hi Tony, danke für den Tip...

bist Du sicher, dass es eine Fehlermeldung mit "T" war?

es wird empfolen einen Rally dazwischen zu setzten es gibt sogar einen kleinen fertigen Kabelbaum wo der der Rally schon drin miteingebaut ist,mit Stecker man brauch es nur dazwischen zu stecken.ca.30 Euro kosten.

(...du meinst Relais?8) )

- wo gibt es diesen Kabelbaum zu kaufen? von Ferrari?

...

die Steuerungen gibt es über Ferrari nicht mehr als Neuteil sondern...man kann´s einschicken und der kommt repariert wieder zurück,kosten waren ca. 900 Euro.

Es gibt noch Werkstätte(n) die solche Teile noch am Lager haben - aber für ca. 2500.- Schweizer Franken würde ich mein Altes eher reparieren lassen!

  • Mitglieder
Geschrieben
Hi Tony, danke für den Tip...

bist Du sicher, dass es eine Fehlermeldung mit "T" war?

(...du meinst Relais?8) )

- wo gibt es diesen Kabelbaum zu kaufen? von Ferrari?

Es gibt noch Werkstätte(n) die solche Teile noch am Lager haben - aber für ca. 2500.- Schweizer Franken würde ich mein Altes eher reparieren lassen!

Hallo sf348, das ist richtig ich meine "Relais" mit der Fehlermeldung bin ich nicht sicher ob es mit T ist,kann aber heute rauskriegen,wir haben einige 100 von diese Kabelbäume ausgeliefert,ich müsste noch welchen auf Lager haben,so eine Steuereinheit müsste ich auch noch da haben . Ferrari hat sie aber reparieren lassen und als generalüberholt wieder zurückgeschickt,ich dachte die Autos wären inszwischen alle schon umgebaut,ich habe in den letzten 3 Jahre nichts mehr von diese Probleme gehört.

Auch wenn man keine Probleme mit der Steuereinheit hat würde ich den Kabelbaum mit den "Relais" dazwischen setzten,so schützt man sich die teuere Steuereinheit.

Gruss Tony

  • Mitglieder
Geschrieben

Hallo nochmal,

habe den anschlussplan aus Italien gefunden,und 3 Stück von den Kabelbäume habe ich auch noch da,sogar eine neue Steuerung,die Fehlermeldung heisst "E8" aber wenn das leuchtet ist es schon zu spät da ist die Steuerung schun kaputt,um vorzubeugen sollte man den Kabelbaum einsetzten.

Gruss Tony

post-65290-14435317875646_thumb.jpg

post-65290-14435317876934_thumb.jpg

post-65290-14435317878954_thumb.jpg

post-65290-14435317880355_thumb.jpg

Geschrieben

Hallo Tony,

das ist ja ein absolut heißer Tip, Danke ! :-))!

Den "E8" Fehler haben wohl alle schonmal gehabt, manchmal liegts aber auch nur an etwas zu wenig Kühlwasser.

Gruß, Georg

Geschrieben
Hallo Tony,

das ist ja ein absolut heißer Tip, Danke ! :-))!

Den "E8" Fehler haben wohl alle schonmal gehabt, manchmal liegts aber auch nur an etwas zu wenig Kühlwasser.

Gruß, Georg

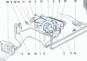
Weil's hierher passt:

Prophylaktisch haben wir letztes Jahr mal mein Heizungs-Pumpventil ausgetauscht.

Die Dinger können nämlich lecken.

Schlimmstenfalls verliert man Kühlwasser mit fatalen Folgen ...

Die Suppe geht dann in den Kofferaum.

Das Teil war von Bosch nicht mehr lieferbar, aber der Boschdienst

konnte mit einem ähnlichen Teil weiterhelfen. Danke an Christian Andres! :-))!

http://www.ferrarif40.de/f40/

Nur die Kabelanschlüsse mussten angepasst werden.

Soweit ich weiß, wurden die Dinger am 348 und 355 verbaut.

Hier ein Bild mit der Teilenummer:

post-29058-14435317881709_thumb.jpg

post-29058-14435317882972_thumb.jpg

  • Mitglieder
Geschrieben
Weil's hierher passt:

Prophylaktisch haben wir letztes Jahr mal mein Heizungs-Pumpventil ausgetauscht.

Die Dinger können nämlich lecken.

Schlimmstenfalls verliert man Kühlwasser mit fatalen Folgen ...

Die Suppe geht dann in den Kofferaum.

Das Teil war von Bosch nicht mehr lieferbar, aber der Boschdienst

konnte mit einem ähnlichen Teil weiterhelfen. Danke an Christian Andres! :-))!

http://www.ferrarif40.de/f40/

Nur die Kabelanschlüsse mussten angepasst werden.

Soweit ich weiß, wurden die Dinger am 348 und 355 verbaut.

Hier ein Bild mit der Teilenummer:

ach Christian kennst du auch???dem habe ich damals dem F40 reparieren lassen, habe lange nichts mehr von Ihm gehört,hat er den F40 noch??

Geschrieben
Die Dinger können nämlich lecken.

Ja und? Das kann ich auch! :D :D

Geschrieben
Ja und? Das kann ich auch! :D :D

Danke für's Angebot, suche aber Gebläse. X-)

Archiviert

Dieses Thema ist archiviert und für weitere Antworten gesperrt. Erstelle doch dein eigenes Thema im passenden Forum.


×
×
  • Neu erstellen...