Jump to content
EUROPAS GROßE
SPORTWAGEN COMMUNITY

308 GTS Zündaussetzer/Fehlzündungen


Empfohlene Beiträge

Geschrieben
Habt ihr mal versucht die Kerzen untereinader zu tauschen, ob der Fehler dann mitwandert?

Nur weil die Kerze neu ist muss sie nicht wie neu funktionieren.

guter Einwand ... andere Kerzen probieren !

zudem ist es meist schwierig Zündfunken ausserhalb des Zylinders zu vergleichen

und noch schwieriger einen vermeintlich "schwachen" Funken einwandfrei zu diagnostizieren

Gruß

Michael

Jetzt registrieren, um Themenwerbung zu deaktivieren »
Geschrieben
...Wie komme ich an eine Zeichnung o.ä. um deine präzise "Messanforderung" zu absolvieren?

wenn es diese gäbe, hätte ich sie gepostet :wink:

mit meiner o.g. Beschreibung kannst Du alles testen was einem Mechaniker mit Elektrikkenntnissen und dem geneigten Selbstsschrauber möglich ist

bei allen anderen Problemen mit den Steuergeräten kann selbst Marelli nicht mehr helfen ! - nur zur Info: die QV Steuergeräte kosten derzeit ca. € 1400.- pro Stück, wenn sie denn überhaupt lieferbar sind

(Immer wieder erfreulich/ erstaunlich was du im Urlaub alles mitführst).

Ich bin NIE in Urlaub ... manch einer sagt aber auch IMMER 8-)

...Wir haben den "Fehler mit den Steuergeräten" schon gefunden - bei all den gestrigen Messarbeiten haben wir einen Stecker an der Zündspule vergessen gut genug aufzustecken - hat sich gelöst! Also Steuergeräte - Fehlalarm.

genau so etwas hatte ich mir gedacht :wink:

Gruß aus MUC

Michael

Geschrieben

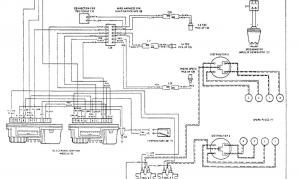
weil ich es gestern versprochen hatte... :wink:

zu OT-Gebern = TDC-Sensoren = top dead center sensors

292xit5.jpg

Basis-Daten:

Schwungscheibe: 144 Zähne = 2,5° pro Zahn

2 OT-Geber, 90° versetzt, magnetischer pick-up, Wiederstand: ca. 700 Ohm

2 pins am Zahnkranz der Schwungscheibe, 180° versetzt

Drehzahlgeber (14.00 Uhr Position), 144 Impulse pro 360° Umdrehung

OT-Geber Bank 1-4 (10.00 Uhr Position), 2 Impulse pro 360° Umdrehung, 180°/Impuls

OT-Geber Bank 5-8 (08.00 Uhr Position), 2 Impulse pro 360° Umdrehung, 180°/Impuls

308 - Zündfolge: 1 5 3 7 4 8 2 6

720° Kurbelwellenrotation für alle Zündungen/8 Zylinder = 90° Kurbelwellenrotation zwischen den Zündungen (daher sind die OT-Geber 90° versetzt montiert)

Die Zylinder jeder einzelnen Bank zünden 1/2 Kurbelwellenrotation auseinander

(daher liegen die beiden pins 180° auseinander)

entsprechend gilt:

pin 1 streift OT-Geber 1 = zündet Zylinder 1

pin 1 streift OT-Geber 2 = zündet Zylinder 5

pin 2 streift OT-Geber 1 = zündet Zylinder 3

pin 2 streift OT-Geber 2 = zündet Zylinder 7

pin 1 streift OT-Geber 1 = zündet Zylinder 4 (Verteiler hat erst 1/2 Umdrehung gemacht)

etc.

.

.

.

Gruß aus MUC

Michael

  • Gefällt mir 1
Geschrieben

...haben heute alle 4 ( ca. 3 Wochen alten) Zündkerzen auf der Kofferraumbank gegen Fabrikneue getauscht - kein Unterschied. wieder eher verruste schwarze Kerzen, starker Benzingeruch am Auspuff. Drehzahlmesser unverändert sehr unruhig - zeigt deutlich höher an als Motor wirklich dreht ( pendelt zwischen 2000 - 3500 lt. Anzeige, dürfte aber etwas über 1000 - 1200 u/min akustisch sein) ab und an Fehlzündungen.

Nach ca. 10 Minuten Leerlauf wird der Lauf etwas besser.

Was bleibt noch? Alex hat zwar gute Erfahrung mit Beru 56 Kerzen gemacht - soll ich diese dochmal tauschen gegen ...? Hilft es trotz unruhigem Lauf mal richtig (versuchen) zu fahren? Bisher haben sich alle Versuche ja vornehmlich im Standgas abgespielt.

Könnten die Steuergeräte ggf. teilweise fehlfunktionieren?

Andere Ideen?

VG

Bernd

Geschrieben

kannste näheres zu dem verwendeten "Zündkabel" sagen ?

bei der,zum Beispiel,im Netz angebotenen (Bucht...Ama*...etc.)

"Zündleitung Beru 1 quadrat 7mm schwarz

blanke, weich geglühte Cu-Drähte,

Isolierhülle aus thermoplastischem Kunststoff (PVC)

Kurzbezeichnung: FZLY

Norm: DIN ISO 3808

Außendurchmesser 7mm

Das Kabel in der zündsicheren Kupfertechnik ist

hochspannungssicher bi 38000 Volt,

temperaturbeständig bis 220°C und auch

bei extremer Kälte noch weich und flexibel

sowie zusätzlich mit Glasseide verstärkt.

dürfte es sich um eine Fälschung handeln !

post-91457-14435455873281_thumb.jpg

links:

billigkabel vom kabelspezialisten...war neu schon mehrere cm in die isolierung hinein angelaufen und nach mehreren jahren lagerung im kühlen

trockenen keller nun komplett für die tonne...zieht gerne lange funken innerhalb der isolierung welche dann,zumindest bei meinem auto,die impulsgeber für drehzahl und OT stören .

mitte :

das oben angesprochene "BERU"...ziemlich steif und die beworbene glasseidenverstärkung fehlt...garnicht erst ausprobiert !

rechts:

OEM kabel von VW...flexibel,glasseidenverstärkung und eher silbriger

farbton->funzt !

Geschrieben

Tom,

danke für diese Idee - soweit ich hier Daten zum Kabel finde liefere ich diese nach.

Weiß noch dass ea 1qmm Kupfer verzinkt war, 7mm stark und silikonummantelt, Preis lfm ca. 6 €.

Jedoch kamen wir aufgrund deines Hinweises darauf, die "alte" Verteilerkappe mit den ca. 5 Jahre alten Glasfaserkabeln und den alten Zündkerzensteckern vergleichsweise auf die schwächere kofferaumseitige Bank zu montieren um zu sehen ob sich was ändert ( Entstörung). Diese sind ja meines Wissens IM Kabel entstört wogegen meine neuen Kupferkabel ja erst am Kerzenstecker entstört werden?. Könnte ja einen Unterschied machen?!

Habe heute mit meiner Ferrari - Werkstatt gesprochen. Er hatte gerade einen Fall bei einem 308er bei dem der Warmlaufregler defekt war. Zeigte wohl auch diverse Fehlzünder und unruhigen Lauf.

Gibt es hierzu Meinungen? ( Habe Michaels Wort im Ohr: "90% der diesbezüglichen Probleme liegen an der Zündung" bleiben noch 10% Restrisiko wobei der Wert sich erhöht haben könnte zumal wir die Zündungselemente weitestgehend erneuerten ( ausser Steuergeräte und OT-Geber).

schönen Abend

Geschrieben

Hallo Bernd,

verfolge das Drama auch schon eine Weile. Habe auch die Kupferkabellösung seit Jahren und damit gibts nie Probleme.

wenn Du alles akurat durchgeführt hast, was Alex und Michael empfielen, muß die Fuhre laufen. Deshalb, und weil ich letzte. Woche über Nacht einen defekten Warmlaufregler hatte (hatte noch Ersatz da), habe ich das Gefühl, es könnte nicht schaden, Deinen mal messen zu lassen (vermute Du hast nicht das erforderliche Equipment). Auch die Abgaswerte wären interessant. Da kann man bisweilen interesante Dinge feststellen. Apropos, die Kaltstartmimik ist auch durchaus einen Blick Wert. Der vorige Post bringt mich drauf, und meine eigenen Symptome (und sonstige langjährige K-Jetronic 911er Basteleien)

Gruß aus Ffm,

Michael

Geschrieben

Ich bin mittlerweile - auch aufgrund des Kerzenbildes - eher bei der Einspritzanlage. Kraftstoffsystemdruck?!?

Warmlaufregler würde bei kaltem Motor keine Probleme machen - eher bei steigender Motortemperatur...

Alex.

Geschrieben

bleibt vorerst bei der Zündung !

es macht momentan absolut keinen Sinn, auf Verdacht (teure) K-Jetronic Komponenten nach dem Fahrzeug zu werfen :wink:

...2 OT-Geber, 90° versetzt, magnetischer pick-up, Wiederstand: ca. 700 Ohm ...

... starte den Motor ... und dabei :

3. messe die Wechselspannung AC zwischen dem roten Kabel an Pin 3 eines jeden Digiplex ECUs und dem rot/schwarzen Kabel an Pin 2 des gleichen ECUs = sollte etwa 2V AC oder höher sein (dies prüft den output des Motordrehzahlsensors)

4. messe die Wechselspannung zwischen dem blauen Kabel an Pin 1 des einen Digiplex ECUs und dem grünen Kabel an Pin 5 des gleichen ECUs = sollte etwa 0,2 V AC oder höher sein (dies prüft den output des eines OT-Gebers)

5. messe die Wechselspannung zwischen dem schwarzen Kabel an Pin 1 des anderen Digiplex ECUs und dem gelben Kabel an Pin 5 des gleichen ECUs = sollte etwa 0,2 V AC oder höher sein (dies prüft den output des anderen OT-Gebers)...

führt die genannten Messungen an den Gebern durch !

wenn das zu aufwendig erscheint, ist es auch legitim die Geber direkt zu erneuern

in diesem Falle sind die Kosten vergleichsweise gering und nach den Symptomen zu urteilen könnte durchaus der OT-Geber der hinteren Zylinderbank nicht korrekt arbeiten, ebenso scheint der Drehzahlgeber Unregelmäßigkeiten aufzuweisen -

diese drei Geber sind alle gleich und Verschleißteile deren Funktion bekanntermaßen mit dem Alter fehlerhaft sein kann

falls danach immer noch keine Änderungen eintreten, bleiben zündungsseitig nur noch die Steuergeräte - falls eines davon defekt ist, müsste nun allerdings bei einem Wechsel von links nach rechts eine Änderung eintreten (es sei denn alle beiden Steuergeräte funktionieren nur bedingt)

erst wenn die Zündung nachweislich funktioniert kann man sich einer Fehlersuche bei der K-Jetronic Einspritzung widmen (die mindestens genau aufwendig werden kann)

Gruß

Michael

Geschrieben

... deshalb sag ich:

wenn Du alles akurat durchgeführt hast, was Alex und Michael empfahlen,

Zündung muß durch sein! :wink:

Gruß aus Ffm,

Michael

Anzeige eBay
Geschrieben
Geschrieben

Hallo sepo,

 

schau doch mal hier zum Thema Zubehör für Ferrari 308 / 328 (Anzeige)? Eventuell gibt es dort etwas Passendes.

  • Gefällt Carpassion.com 1
Jetzt registrieren, um Themenwerbung zu deaktivieren »
Geschrieben

besten Dank an euch für die Tipps freue mich sehr über eure Hilfe ( und euer Durchhalten)!

Die OT - Geber werde ich schlicht tauschen, das ist so oder so sinnvoll - wo habt ihr diese gekauft/bestellt - wer kennt die genaue Bezeichnung?

Haben heute festgestellt nachdem wir, wie gestern angekündigt, die alte Verteilerkappe mit den ca. 5 Jahre alten Zündkabeln aus Glasfaser nochmals auf die schwächelnde Bank montierten, dass diese Bank nun besser lief! Somit scheint etwas mit den neuen Kupferkabeln, den Verbindern oder den Berux Kerzensteckern nicht i.O. zu sein. Obwohl wir alle mehrfach mit ca. 5,0 - 5,15 KOhm im montierten Zustand gemessen hatten ( natürlich immer ausser Funktion). In Funktion vermute ich nun , dass hier ggf. keine saubere Zündung erfolgte - wie schon vor Tagen geposted , mein Bruder meinte auch auf Zylinder 1 und 2 einen schwächeren Funken gesehen zu haben.

Lässt sich sowas irgendwie gefahrlos messen?

Wollen morgen diesen Verteiler dann nochmals durchtauschen und sehen was mit der anderen Bank ist. Im Moment hätte ich dann ggf. eine "Kupferbank" und eine mit Glasfaser. Unterstelle dass das nicht sinnvoll ist, wobei wir die Zündkabel von der Zündspule zum verteiler ja auch noch in Kupfer haben.

Gibt es hier Meinungen?

... und nochmals danke für die Geduld und Hilfe.

schönen Abend

Bernd

  • 2 Wochen später...
Geschrieben

Haben nun die neu eingezogenen Kupferzündkabel mit den neuen Beru Zündkerzensteckern

wieder entfernt und neue Beru power cable Kohlefaser Zündkabel ( die Blauen, ca. 10.-- lfm) mit den alten Zündkerzensteckern von Ferrari o.ä. eingebaut. Motor läuft jetzt im Stand schon mal besser als vorher.

D.h. irgend eine dieser genannten Komponenten hat nicht wirklich harmoniert ( meine Michael sprach auch mal davon, dass er mit Kupfer nicht so gute Erfolge erzielte als manch anderer).

Würde jetzt aber sicherheitshalber alle Zündkerzenstecker nochmals erneuern wollen da mein Bestand offensichtlich von uralt bis neuzeitlich variiert.

Alex, bevor ich mir neue kaufe hattest du nicht NEUE die du wieder verkaufen wolltest?

Dann gerne zeitnah - wann und wo - im Münchner Raum. Bist du vom Urlaub wieder zurück?

Werde dann in Kürze mochmals mitteilen wie es aussieht. Auch die OT-Geber sind im Anmarsch - mal sehen ob dies noch einen weiteren Effekt bringt.

Grüße

Bernd

Geschrieben

Urlaub wäre schön - war dienstlich in Spanien...

Bin morgen in der Garage und kann die Extender mitnehmen. Übergabe dann gerne nächste Woche irgendwo in MUC :-))!

Gruß,

Alex .

Geschrieben

...gerne , bin aber nur noch inkl. Dienstag hier, dann erst wieder ab 12.8.

Bitte sende mir über PN deine Kontaktdaten/Tel. und mach einen Vorschlag wo und wann.

BG

Bernd

Geschrieben

Konnte ihn zumindest auf kurzer Strecke schonmal testen und bin erleichtert weil ein deutlicher Fortschritt erkennbar ist :lol::lol:. Leider kann ich ihn nicht wirklich warmfahren weil wir eben noch die Bremsbeläge der Vorderachse "kurz" tauschen wollten, dabei zeigt sich, dass der rechte äußere Bremsbelag stark auf ca. 3 mm abgefahren war hingegen der Innere noch fasst volle Stärke hat. Hierzu habe ich mich jedoch heute in einem der treads schon einigermaßen kundig gemacht und werde wohl die Bremssättel, schlicht aus Zeitgründen, zur Überholung geben - man will ja endlich mal zum Fahren kommen.

Will nun aber zumindest ein vorsichtiges (entgültiges nach längerer Fahrt) Resümee zur Zündungsproblematik bei mir ziehen.

Wir hatten bis auf Steuergerät und OT-Geber alles nach einander erneuert trotzdem lief der Motor sehr unruhig mit diversen Fehlzündungen und es gab diese relgelmäßigen Störungen am Drehzahlmesser. Gerade der Start zuerst mit den Zündkabeln als auch Kerzensteckern war für unseren Fall nicht so optimal - weil wir ja keine Verbesserung feststellten es aber sowieso drin lassen wollten weil wir ja eh schon dabei waren....bei dem Alter.

Letztlich haben wir dann die Neuteile: Kupferkabel und Beru Zündkerzenstecker wieder rückgebaut und gegen die original Kerzenstecker mit den Beru power cable (Silikon/Kohlefaser) getauscht. Sofort waren beide o.g. Probleme vorbei!

Wir vermuten, dass es entweder daran lag, dass wir einen Fehler bei der Verbindung zwischen Kabel und Kerzenstecker machten ( obwohl wir mehrfach den Widerstand zwischen 5,0 und 5,15 KOhm feststellten) oder dass es an der Kombination Beru Zündkerzenstecker in Verbindung mit unserem Kupferkabel lag.

Andererseits gab es hier mit Alex aus MUC und Michael aus FFM ja erfolgreiche Akteure in Sachen Kupfer!?

Vielleicht habt ihr noch eine Idee/Info wie genau ihr diese Verbindung hergestellt habt und worauf man im Detail achten muss. Ich werde es nun so lassen aber andere könnten ja davon profitieren...

Was ich jedoch bis jetzt nicht nachvollziehen kann ist weshalb wir diese notorischen Störungen am Drehzahlmesser hatten die sofort weg waren als wir o.g. Kohlefaserkabel

mit den original Zündkerzensteckern verbauten. Vielleicht hat es etwas mit dem Widerstandsdraht im Kohlefaser Kabel vs. Kupferkabel zu tun wo der Widerstand erst im Kerzenstecker entsteht?

@ Michael - wir meinen dass auch der Bezingeruch sich zumindest spürbar reduziert hat, dies sollte sich in Kürze zeigen wenn ich den Abgastest hinter mir habe. Werde nur noch den zweiten neuen OT-Geber einbauen. An der Stellen kann ich schonmal bestätigen, dass der z.B. bei Ebay angebotene OT-Geber :http://www.ebay.de/itm/Motor-OT-Sensor-Magneti-Marelli-SEN8D-Lancia-Delta-Integrale-original-4460206-/131410054557?pt=LH_DefaultDomain_77&fits=Make%3ALancia|Model%3ADelta+I&hash=item1e98a64d9d

einwandfrei funktioniert und wirklich nur die Bohrung für die Halteschrauben etwas erweitert werden muss - war in zwei Minuten mit einer Rundfeile ausgefeilt. Preis pro Stück ca. 40.-- €

beste Grüße

Bernd

Geschrieben

Glückwunsch, prima das es wieder funkt!!!

Ich habe keine Erklärung dafür, das es mit Kupfer nicht funktionierte. Das hab ich noch nie erlebt. Bei keinem Auto. Im Gegenteil, alle Zündungsprobleme, die mit Verkabelung im Zusammenhang standen, ließen sich damit Lösen. Ausnahmslos.

Wie auch immer, jetzt geht's und das zählt.

Viiiieeeel Spaß,

Gruß aus Ffm,

Michael

Geschrieben

Morning!

Was hast Du jetzt noch getauscht? Einen OT-Geber?!?

Dann wäre jetzt nämlich die Frage, ob die Cu-Kabel mit neuem Geber nicht doch funktionieren :wink:

Das wäre auch die einzige Erklärung, warum die nicht funktioniert haben...

Brauchst Du dann die neuen Extender noch?

Gruß,

Alex.

Geschrieben

Nein Alex, kann ich sicher ausschließen! ..den OT-Geber habe ich erst und lediglich zusätzlich getauscht nachdem ich die Zündkabel bereits rückgebaut hatte und dies sich wie oben beschrieben sofort als erfolgreich erwiesen hatte.

Habe mir schlicht vorgenommen nacheinander alle neuralgischen Bauteile zu tauschen -einfach aus Altersgründen.

Und genau deshalb will ich auch die Zündkerzenstecker gegen neue tauschen. Meine sind zwar großteils nicht mehr die ersten habe aber keine genaue Einschätzung über deren Alter.

Wenn deine neu sind nehme ich sie gerne -sofern du sie noch verkaufen möchtest.

Bin nun aber ab Mi früh wieder eine Woche in Berlin. ggf könnte ich mich morgen noch treffen sonst ab 12.8. wieder.

schönen Abend

Bernd

  • 2 Wochen später...
  • 6 Monate später...
Geschrieben
Am ‎01‎.‎04‎.‎2012 at 18:54 schrieb me308:

 

 

tdcsensor.jpg

 

 

Viel Spaß & Gruß aus MUC

Michael

Hallo Zusammen,

alter Thread aber birgt doch viel Wissenswertes.:)

Nur eines nicht, aber vielleicht ist es auch irrelevant:

Ich will die Sensoren wechseln, aber leider haben die ja nun zum 2 Ventiler andere Anschlüsse.

Ist beim Umbau eine Polarität zu beachten (ich denke ich werde den alten Stecker an den neuen Geber bauen)???

Viele Grüße aus Ffm,

Michael

Geschrieben

 

baue lieber den passenden gegenstecker an den kabelbaum oder alternativ an den rest vom abgeschnittenen alten sensorkabel (= adapter)

so einen AMP junior stecker gibts problemlos z.b.in der Bucht

die polarität ist laut ferrarichat auf dem stecker angegeben

Am 9.4.2012 at 22:20 schrieb me308:

Ferrari Teile-Nr.: wie folgt

 

308 bis Motor-Nr. 863: 115019

 

308 ab Motor-Nr. 864 : alt 128364, neu 119052 (QV)

 

der 115019 ist auch durch den 119052 ersetzt ;)

  • Gefällt mir 1
Geschrieben

Ja Tom,

alles das geht. Zumindest weiß ich jetzt, was für ein Steckertyp das ist. Was ich nicht weiß ist, welcher Draht der alten Verkabelung + und - ist. Auf dem neuen Anschluß ist ja ein + angegossen, da kann man mit arbeiten.

Gruß aus Ffm,

Michael

Geschrieben

Würde aus dem wiring harness und den Kabelfarben beim QV jetzt mal tippen, dass schwarz die Masse ist, da bei beiden Sensoren jeweils ein schwarzes und ein anders farbiges Kabel ankommen:

 

OT_Geber_Kabelbaum.thumb.jpg.8519daf4ba3

 

 

Gruß,

Alex.

  • Gefällt mir 1
Geschrieben

Hallo Alex,

so hab ich mir's auch gedacht. Wenn es keiner konkret weiß, werde ich es auch so angehen.

Ich wäre halt gerne sicher ...

Grüße aus Ffm,

Michaek

Erstelle ein Benutzerkonto oder melde dich an

Du musst ein Benutzerkonto haben, um einen Kommentar verfassen zu können

Benutzerkonto erstellen

Erstelle ein neues kostenloses Benutzerkonto.

Jetzt registrieren

Anmelden

Bereits Mitglied? Melde dich hier an.

Jetzt anmelden


×
×
  • Neu erstellen...