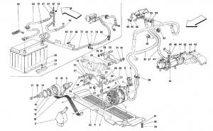
Blaue Flüssigkeit unter dem Motor mittig
-
Willkommen bei Carpassion.com
Europas großem Sportwagen-Forum.
Aktuell können Sie als Gast bereits gewisse Beiträge und Inhalte sehen.
Möchten Sie jedoch Zugang zu weiteren exklusiven Inhalten oder sich mit anderen Sportwagen-Fahrern austauschen, können Sie sich völlig kostenlos und unverbindlich bei uns neu anmelden.
-
Marktplatz
-
0
Von Cantelli,
-
-
Vieldiskutiert
-

Empfohlene Beiträge
Erstelle ein Benutzerkonto oder melde dich an
Du musst ein Benutzerkonto haben, um einen Kommentar verfassen zu können
Benutzerkonto erstellen
Erstelle ein neues kostenloses Benutzerkonto.
Jetzt registrierenAnmelden
Bereits Mitglied? Melde dich hier an.
Jetzt anmelden