Jump to content
EUROPAS GROßE
SPORTWAGEN COMMUNITY

how to: Fahrwerksrevision am BMW 850i (E31)


S.Schnuse

Empfohlene Beiträge

Geschrieben

Unter den Top 10 meiner unerfüllten Sehnsüchte belegt der 850i mit 6-Gang Schaltgetriebe noch immer einen der vordersten Plätze. Die Formensprache des E31 finde ich bis heute einmalig.

850i

 

Aufhören zu träumen, hier geht es darum dieses rollenden Kulturgut am Leben zu halten. Aufgrund des Gewichts leiden die Fahrwerksgummis über die Jahrzehnte, und da greifen wir hier an:

 

 

_DSC9219.thumb.JPG.66f3cc272c57ca7e48ad175faf5565eb.JPG

Ohne Mampf kein Kampf, aber dann geht es los!

 

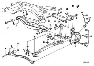
Die benötigten Teile (gibt es auch von Drittanbietern):

 

Für die Vorderachse:

·         Querlenker links Aluminium 31121138477

·         Querlenker rechts Aluminium 31121138478

·         Druckstange ohne Gummilager links 31121139999

·         Druckstange ohne Gummilager rechts 31121140000

·         Gummilager Druckstange 31121136607 (2x)

 

59c56349a3f8b_35511.thumb.jpg.26549406611a1a7ec2d076306deda7ec.jpg

 

Für die Hinterachse:

·         Gummilager 33321090452

·         Gummilager 33321133864

·         Sechskantmutter selbstsichernd 33321090060

 

59c5634a290ac_41151.thumb.jpg.bb9a0e19e00180b415bb64db6b9e8fe5.jpg

 

 

_DSC9234.JPG

Die Gummilager habe ich auf -16°C gekühlt, damit sie sich leichter einpressen lassen.

 

Vorderachse:

_DSC9254.JPG

Die 2 Streben am Vorderachsträger lösen

 

_DSC9255.JPG

 

_DSC9256.JPG

 

_DSC9259.JPG

Am Federbein ist die Bodenplatte zu lösen.

 

_DSC9260.JPG#

Die Gummisicken waren beschädigt und Fett lief aus.

 

_DSC9261.JPG

Saubere Neuteile.

 

_DSC9262.JPG

Mit Bedacht anziehen!

 

_DSC9263.JPG

Wichtig: Anziehen der Schrauben an den Gummilagern am Vorderachsträger im eingefederten Zustand. Sonst stehen die ständig unter Torsionsspannung.

 

_DSC9264.JPG

Die Schrauben am Federbein hab eich mit Loctite gesichert.

 

_DSC9265.JPG

Sauber, oder?

 

_DSC9266.JPG

 

 

Hinterachse:

_DSC9222.JPG

Ausgangssituation

 

_DSC9223.JPG

Das vergammelte Längslenkerlager.

 

_DSC9232.JPG

Hier sieht man wie rissig das 27 Jahre alte Gummilager ist.

 

_DSC9233.JPG

Das alte Lager wurde beim Ausbau in Ermangelung eines langes Topfes zerstört.

 

_DSC9235.JPG

Echt cool (-16°C), das neue Lager. Achtung: Auf dem Lager ist ein L und ein R, und die Striche müssen mit den Einkerbungen am Längslenker fluchten.

 

_DSC9237.JPG

Einpressen mit Topf darunter, damit der Bolzen nicht anstößt.

 

_DSC9238.JPG

Das kleine Gummilager war nicht defekt, aber wenn man schon dabei ist.

 

_DSC9239.JPG

Die Kontaktflächen sind zu reinigen.

 

_DSC9240.JPG_DSC9246.JPG

Ohne die Distanzscheiben würde man das neue Gummilager beim Einpressen überdehnen.

 

_DSC9241.JPG

Der hintere Längslenker ist nun wieder wie neu.

 

_DSC9253.JPG

Das Lager an seinem  Arbeitsplatz.

 

 

zu guter Letzt:

_DSC9251.JPG

Übrigens, wenn man 16" Felgen gießt, werden trotzdem keine 17" daraus.

Jetzt registrieren, um Themenwerbung zu deaktivieren »
Geschrieben
vor 16 Minuten schrieb S.Schnuse:

_DSC9264.JPG

Anfängerfrage: Das sieht aber "ungesund" aus....

Ist es so weil ausgefedert?

Geschrieben

Ja, die Federbeine federn ziemlich weit aus. Deswegen ist es auch so wichtig die Gummilager am Vorderachsträger auf der Hebebühne nicht einfach im hängenden Zustand festzuziehen, sondern dabei abzustützen.

Geschrieben

Danke, wieder ein toller Thread.:-))!

Ich bin auch ein grosser Freund des e31. 

 

Neben der von Dir erwähnten Formsprache (bezogen auf die Karosserie?) finde ich auch den Innenraum noch heute sehr ansprechend!

Unbenannt.png.fd16416ec8b4c04bf752480ac398755e.png

 

Geschrieben

Da schließe ich mich an, der 8er war seiner Zeit weit voraus außen genauso wie innen das hatte schon fast was von einem Flugzeug Cockpit, ein super Auto seiner Zeit schade, dass BMW nicht den Mumm hatte das Konzept fortzusetzen und  sich dann auf einen halbherzigen 6er als top Coupé verlasen hat. 

Archiviert

Dieses Thema ist archiviert und für weitere Antworten gesperrt. Erstelle doch dein eigenes Thema im passenden Forum.


×
×
  • Neu erstellen...