Jump to content
EUROPAS GROßE
SPORTWAGEN COMMUNITY

Motorprobleme beim Ferrari 348


paul01

Empfohlene Beiträge

Geschrieben

Hallo,

Nebenthema "Check Engine 348 2.7"

 

Und es funktioniert. Erstmals während der Fahrt Lampe linke Bank dauerhaft. Auto fuhr einwandfrei, also keine Panik. Normalerweise hätte ich sowieso nichts mitbekommen.

 

Zuhause. Linke Bank:

4121

1212 (Lambda regulation multiplicative value for self adaptation) Also Lambdasonde oder Gemischaufbereitung oder sowas.

1121 (TDC nicht beachten)

 

Da das eigentliche Problem dieses Threads auf der rechten Seite war und komplett gelöst ist, auch mal die rechte Bank gelesen:

4121

1444

1121 (TDC nicht beachten)

Ein Fehler mit der Zündung war nicht oder nicht mehr drin.

 

Dann Reset beide Seiten.

 

Bei mir sind beidseitig die lila Kabel durchgeschnitten. Das könnte den 4121 erzeugen. Das allein gibt aber offensichtlich keine Lampe unterwegs, sonst hätte sie auch rechts leuchten müssen.

 

Gruß

Paul

Jetzt registrieren, um Themenwerbung zu deaktivieren »
  • Antworten 111
  • Erstellt
  • Letzte Antwort
Geschrieben
vor 16 Stunden schrieb paul01:

Linke Bank:

4121

 

vor 16 Stunden schrieb paul01:

rechte Bank gelesen:

4121

 

vor 16 Stunden schrieb paul01:

 

Bei mir sind beidseitig die lila Kabel durchgeschnitten. Das könnte den 4121 erzeugen.

 

könnten zwei "kalte Fehler" sein, die nie wirklich gelöscht wurden ...

der Fehler zeigt nämlich an, dass die Motronic kein Temperatursignal von den Vescovinis bekommt

 

ansonsten kann es auch sein, dass bei den Vescovinis nicht nur das lila Kabel getrennt wurde

sondern dass die Motronic tatsächlich kein Signal einer Überhitzung bekommen würde weil noch etwas anderes getrennt ist

 

 

vor 16 Stunden schrieb paul01:

1212 (Lambda regulation

 

schau mal an den Verbindungssteckern unter dem Luftfilterkasten

ansonsten mal Lamdasonde von links nach rechts tauschen und schauen ob der Fehler mitwandert

 

 

Gruß aus MUC

Michael

 

Geschrieben

Hallo Michael,

 

die lila Kabel selbst sind, wie du wohl auch denkst, nicht der Grund des 4121.

Eher die defekten Kat-Temperaturmodule (Vescovinis), die evtl. direkt den Fehler bringen.

Signale kommen wohl schon, da gelegentliches Flackern der SlowDown-Lampen. Das wiederum sehe ich eher beruhigend statt störend, wenn man die lila Kabel durchgeschnitten hat.

Den 4121 nehme ich (bisher) nicht ernst.

 

Die linke Lambdasonde habe ich gestern bereits ersetzt (bisherige nicht weggeworfen). Es gibt keine angenehmere Arbeit am 348. Das könnte man mit einem weißen Hemd machen und muss nichts abschrauben, also auch nicht den Luftfilterkasten. 

 

Weiterhin auch gestern die LMM gereinigt. Hilft evtl. nichts, schadet auch nicht.

 

Gefahren auch bereits und muss noch nach Fehlercodes schauen.

 

...eine lustige Nummer, die Georg da reingebracht hat.

Gruß

Paul

Geschrieben

Hallo,

Nebenthema "Check Engine 348 2.7"

 

Linke Bank aktuell:

4121

1121 (TDC nicht beachten)

 

Dann Reset linke Seite.

1212 (Lambda regulation multiplicative value for self adaptation) ist also aktuell nicht mehr drin.

 

Noch eine Frage zu etwas ganz Anderem:

Aktuell hat @MichaelH ein großes Problem mit seinem 308 Motor. Wenn jemand einen Instandsetzer kennt, der z.B. Risse im Zylinderkopf kann, dann in 308/328 melden.

 

Gruß

Paul

Geschrieben

Hallo,

aktuell gibts es nichts Neues mit den Codes. Nichts leuchtet bei der Fahrt. Hätte wohl die stärkeren 2W-Birnchen von Tom nehmen sollen.

 

So also als Pausenfüller etwas, bei dem ich sowieso nicht weiß wohin damit:

 

Es fällt auf, dass das Auto jetzt auch im warmen Zustand immer mit dem ersten Versuch angeht. Im kalten Zustand war das immer so. Im warmen Zustand oft nicht. Warm aber beim 2. Versuch immer.

 

Zusammenhang unklar. Evtl. zeitlicher Zufall, aber auffällig. Hatte das bisher irgendwie Sensoren oder dem Benzin zugeordnet, also Luftblasen, Druck halten,...

Gruß

Paul

Geschrieben

Hallo,

zur Unterhaltung ein paar Bilder.

 

Nebenthema "Brandblasen"

 

durch das Zündungsproblem und unverbranntem Benzin, das sich erst in der Abgasanlage entzündet hat, hat es ja auf der rechten Seite am Stoßfänger Verbrennungen gegeben. Jetzt mal angeschaut.

 

Habe außen je 2 Muttern aufgemacht. Die Schraube rechts nicht:

596268a081313_348_Heckstossfnger1.thumb.JPG.ee1e25a41415e0e05c339e9654943b3d.JPG

 

Und innen auch je 2 Muttern aufgemacht:

5962689f0f350_348_Heckstossfnger2.thumb.JPG.5c9a13e3196ab3f4b261c917521878db.JPG5962689dc7610_348_Heckstossfnger3.thumb.JPG.d62eda97efcdb746e21dad3491d7d902.JPG

 

Dann noch das Kabel der Kennzeichenbeleuchtung abgesteckt. War bei mir innerhalb der Beleuchtungsabdeckung.

5962689cad63b_348_Heckstossfnger4.thumb.JPG.81122ff14334e2bfa2c86d56162404f0.JPG5962689b88327_348_Heckstossfnger5.thumb.JPG.db42a08998295096b9c460085e6fe4b1.JPG

 

Dann gings mal los:

59626899c998e_348_Heckstossfnger6.thumb.JPG.e097dde11638f11b0bc5bbd7a8ce7d30.JPG59626897e9817_348_Heckstossfnger7.thumb.JPG.3f434dbe70c14baa110f5980adff9f10.JPG

 

Gruß

Paul

Geschrieben

Hallo,

folgende Bilder sind für Ferrari-Fahrer nicht geeignet.

 

Nebenthema "Brandblasen"

 

Es hilft ja nichts. Die verbrannten Bereiche müssen runter:

59627c362142d_348_Heckstossfnger8.thumb.JPG.8fb61ddd77a7125e14a651f5cef3660f.JPG

 

Das Durchgangsloch wurde immer größer:

59627c3475877_348_Heckstossfnger9.thumb.JPG.39315a4889c79bd2424935e7f698c9ce.JPG59627c3315d01_348_Heckstossfnger10.thumb.JPG.930789f55ed342aee4cd494faf4cc726.JPG

59627c314b971_348_Heckstossfnger11.thumb.JPG.7a4394a751ca2b33c70c6933dcbebe84.JPG

Gruß

Paul

Geschrieben

Hallo,

noch ein wenig mehr abgenommen und dann 6 Lagen Glasfasermatte:

59631c2192368_348_Heckstossfnger12.thumb.JPG.293d3c8dd95deffb4675a35b2eafdd24.JPG

Wird innen später nur wenig geglättet.

Gruß

Paul

Geschrieben

Hallo,

 

dann noch normaler Glasfaserspachtel:

5963d47cda8c0_348_Heckstossfnger13.thumb.JPG.3802fa559b6a82bc8273742e0559e68d.JPG

 

Gereinigt. Testklebung. Dann den Flicken rein:

5963d47b193a7_348_Heckstossfnger14.thumb.JPG.035070cb7ef5745395fa903bc453e193.JPG5963d479c951d_348_Heckstossfnger15.thumb.JPG.2de45cc9224a7cf34f24853f44b2ab8f.JPG

5963d47882c5a_348_Heckstossfnger16.thumb.JPG.649f22920ac4aa475324073930cbe3c8.JPG

Wenn er gut ist, nenne ich später noch das genaue Produkt.

 

Gruß

Paul

Geschrieben

Hallo,

 

jetzt geht es erstmal drum, die Temperatur am Stoßfänger an der Stelle im Griff zu haben. Da waren es bei stehendem Auto über 100°C nachdem die Zündung wieder ok war. An der schwarzen Stelle von außen über 120°C.

Erst danach werde ich das lackieren lassen und für den Lackierer wären da auch noch 2 andere kleine Sachen am Auto.

 

Also gespachtelt und geschliffen in Minimalumfang:

596479e82e3ec_348_Heckstossfnger17.thumb.JPG.b1895d5fcb4826b1bb2c32b696f42b26.JPG

Und wieder eingebaut.

 

Das wird jetzt wohl einige Wochen so bleiben. Optisch sehr störend. Wenn aber temporär rot drauf soll, muss auch Grundierung drauf. Später wird alles wieder runtergeschliffen.

 

Es reicht, wenn die Temperatur außen ok ist und der Hitzeschutz auch wirklich gut hält. Dann lackieren.

 

Das sieht evtl. alles ein wenig umständlich aus. Aber das Abnehmen und Anbauen des Stößfängers geht bei dem Auto auch ganz alleine sehr einfach. Auch das Spaltmaßeinstellen ist einfach.

Gruß

Paul

Anzeige eBay
Geschrieben
Geschrieben

Hallo paul01,

 

schau doch mal hier zum Thema Zubehör für Ferrari 348 (Anzeige)? Eventuell gibt es dort etwas Passendes.

  • Gefällt Carpassion.com 1
Jetzt registrieren, um Themenwerbung zu deaktivieren »
Geschrieben

Hallo,

 

doch ein wenig Grundierung drauf. Später Fahrt und anschließend Temperaturen gemessen:

59651f4b56af4_348_Heckstossfnger18.thumb.JPG.aa4770080771381064befd246f4442ae.JPG

Wo also vorher Über 100°C war, ist jetzt 55°C. Es war heute nicht warm draußen, aber die max. Temperatur links ist mit 80°C nie höher gewesen.

 

Werde jetzt einen Schal stricken, damit die rechte Seite nicht friert.

Gruß

Paul

Geschrieben

Hallo,

Nebenthema "Check Engine 348 2.7"

 

Jetzt das zweite Mal während der Fahrt Lampe linke Bank dauerhaft. Wieder ca. nach der gleichen Wegstrecke.

Linke Bank:

4121 (Evtl. nur wegen defekter Kat-Temperaturmodule. Diese sind über lila Kabel deaktiviert. Fehler nehme ich aktuell nicht ernst)

1212 (Lambda regulation multiplicative value for self adaptation)

1121 (TDC nicht beachten, da Motor bei Auslesen nicht lief)

 

Jetzt muss man doch schauen, was da los ist. Seit dem ersten Auftreten Lambdasonde links getauscht, LMM gereinigt.

Wenn jemand ein Idee hat, immer her damit.

Gruß

Paul

Geschrieben

In ferrarichat.com ist das öfters drin, wenn auch meist für die andere Bank. Alles bisher Gefundene ist ohne ordentliche Quellenangabe. Jeder macht nur copy/paste. Habe den Originalpost auch noch nicht gefunden und reiche das nach.

 

"Lambda codes 1211 and 1212 refer to the fact that the emissions O2 sensors are going full tilt to regulate fuel mixture and it's still not enough. I would unplug them and run the car to add to the data base. If the car then runs normally then something in the O2 system needs to be considered. If on the other hand if it persists we can consider the code a sympathetic action. 
It could also be a problem with the coolant temp sensors. Way too many times I have seen a broken wire at that connector cause similar symptoms and it would also cause a Lambda regulation code.
An open connection or high resistance at the coolant temp sensor will make the A/F mixture very rich. Something it can tolerate when cold but less so when you get some temperature in the motor."

 

Wassertemperatursensor also eine Möglichkeit.

 

Wenn aber die Lambda-Regelung nicht reicht, dann kann das alles sein, was mit Benzinzuführung und Luftzuführung/Messung zu tun hat. Also das volle Programm.

Bei einem Einspritzventil wäre das aber sehr temporär.

 

Was aber lange vor dem heutigen Fehler zwei Mal aufgefallen ist: Ohne ersichtlichen Grund ging die Leerlaufdrehzahl für eine Sekunde auf ca. 1200 rauf.

 

Geschrieben

@paul01...

 

Verfolge das schon seit einiger Zeit, erst mal Kompliment für die Hartnäckigkeit und die mega technische Doku...:-))!

 

Aber...

Wie läuft denn dein Motor in der Praxis? Was fällt dir auf bzw. was würdest du ohne die Lämpchen merken??

Geschrieben

Hallo Paul,

habe mal meine alten Notizen rausgesucht: die Codes 4121 und 1121 sind "normal", als bei mir mal die Lambdasonde hinüber war hatte ich neben schwankenden Leerlauf noch zusätzlich die Codes 1211 und 1114, vielleicht hilfts  ja?

Gruß, Georg

Geschrieben

@GeorgW...

 

Hättest du das auch ohne die CheckEngine-Lampen bemerkt?

Geschrieben

...allerdings, der Leerlauf war derart instabil, dass mir der Motor beim auskuppeln teilweise abgestorben ist. Daraufhin habe ich seinerzeit (2007) die CE Lampen bestückt und bin dadurch erst auf die Lambdasonden als Ursache gekommen.

Gruß, Georg

Geschrieben
vor 8 Minuten schrieb Holgi348ts:

was würdest du ohne die Lämpchen merken

Georg ist schuld

 

Hallo Georg,

nein, nein, wir sprachen nicht über dich ...räusper.

Der Leerlauf ist eigentlich soweit gut. Aber irgendwas ist da.

 

Gruß

Paul

 

Geschrieben

@GeorgW...

 

Das ist dann sicher hilfreich.

 

Ich denke nur darüber nach, was bei angezeigt würde, wenn die Lampen bestückt wären, OBWOHL die Maschine traumhaft läuft...?

 

 

 

 

vor 10 Minuten schrieb paul01:

Georg ist schuld

 

Hallo Georg,

nein, nein, wir sprachen nicht über dich ...räusper.

Der Leerlauf ist eigentlich soweit gut. Aber irgendwas ist da.

 

Gruß

Paul

 

...was genau merkst du? Was fällt auf?

Geschrieben
vor 14 Minuten schrieb GeorgW:

Leerlauf war derart instabil, dass mir der Motor beim auskuppeln teilweise abgestorben

Früher hatte ich manchmal beim Auskuppeln/Gaswegnehmen einfach ein Durchfallen der Drehzahl unter die Leerlaufdrehzahl mit Motor aus. War aber dennoch nicht unruhig im Leerlauf. Das ist schon länger her.

 

vor 15 Minuten schrieb Holgi348ts:

Was fällt auf?

In meinem Fall würde man jetzt ohne Fehlercode nichts unternehmen. Aber eine "Kleinigkeit" wird da schon sein. Das mit den Codes ist auf alle Fälle eine prima Sache und man kann sich damit schon mal auf echte Fälle warmschießen.

Evtl. habe ich ja bereits einen echten Fall.

Geschrieben

Mit den Codes liegst du sicher richtig.

Zumal die Fahrzeuge ja nicht jünger werden und alles, was der Fehlerdiagnose dient, hilfreich ist...

Geschrieben
vor einer Stunde schrieb paul01:

Georg ist schuld

...kommt mir bekannt vor...O:-)

Wenn eine der CE Lampen nur mal kurz aufleuchtet und gleich wieder aus geht, dann ist das vermutlich nicht weiter tragisch sofern der Motor ansonsten rund läuft. Das kam bei mir hin und wieder auch mal vor, als Code habe ich daraufhin dann mal 1212 ausgelesen, zusätzlich zu 4121 und 1121. Wenn die CE Lampen dagegen minutenlang aufleuchten, ist der nächste Fehler bereits aufgetreten, bevor die Leuchtdauer der Lampe für den vorherigen Fehler abgelaufen war. Mein Leerlauf schwankte seinerzeit sinusförmig zwischen 500 und 1500 Upm und das lag eindeutig an den Lambdasonden, die ich mir vermutlich beim Kat-Umbau durch zuviel WD-40 Einsatz kaputtgemacht hatte.

Gruß, Georg

Geschrieben

tausche mal die lmm gegeneinander...würde mich nicht wundern wenn der fehler mitwandert :wink:

Geschrieben

Hallo,

vor 15 Stunden schrieb GeorgW:

kurz aufleuchtet und gleich wieder aus geht

bei mir bleibend. Also bis zum Reset.

 

vor 15 Stunden schrieb planktom:

tausche mal die lmm gegeneinander

Das kann ich mal machen. Bei dem Auto ist es oft die Steckverbindung zum LMM, nicht der LMM selbst.

 

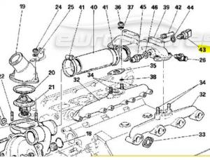
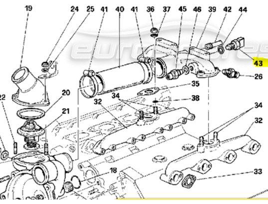
Weiterhin den für die Regelung zuständigen Temperatursensor ersetzen wie oben erwähnt. Das müsste der 43 hier sein ?

348_CheckEngine17.thumb.JPG.9da9c3bef619333edd6f6b73dc1bd26f.JPG

Ganz sicher bin ich da nicht, ob der nur die Temperaturanzeige macht oder auch mitregelt.

 

Die 26 und die 45 sind wohl Schalter.

 

Gruß

Paul

Geschrieben

Hallo,

der neue Bosch Temperatursensor (oben #43) ist da. Habe bisher nicht rausbekommen, ob der wirklich regelt oder nur die Anzeige macht.

Gruß

Paul

Archiviert

Dieses Thema ist archiviert und für weitere Antworten gesperrt. Erstelle doch dein eigenes Thema im passenden Forum.


×
×
  • Neu erstellen...