Jump to content
EUROPAS GROßE
SPORTWAGEN COMMUNITY

308 A/C Replacement Parts / Dryer Kit


happyoliday

Empfohlene Beiträge

Geschrieben

Hallo Zusammen,

seit einiger Zeit versuche ich Klarheit hinter ein paar Teilenummern zu bekommen und versuche herauszufinden was ich tatsächlich brauche und wie was verbaut wird.

Ich möchte meine Klimaanlage instandsetzen. Damit einher geht natürlich zwangsweise eine "Umrüstung" auf das neue Kühlmittel. Wobei mir auch hier nicht ganz klar ist was dafür alles gemacht werden muß.

Ein neuer Kompressor ist eingebaut. Nun bat mich mein Mechaniker einen neuen Trocker und ein Ventil zu beschaffen.

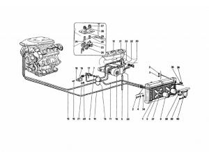
Gemäß Parts Katalog 308GTB BJ 1980 Table 44 sind das folgende Nummern.

post-66855-14435351962108_thumb.jpg

Trockner: Item 15 P/N 106647, Supercedes To Part No. 95320033.

Ventil: Item 31 P/N 106644, Superceded From Part No. 105906, Supercedes To Part No. 60929600.

Das Ventil habe ich bekommen, auch wenn ich nicht weiß warum es eine neue P/N bekommen hat. Könnte möglicherweise mit der Umrüstung auf das neue Kühlmittel zu tun haben.

Den Trockner gibt es im Kit mit der neuen P/N 95320033.

Es gibt 3 P/N die bei Eurospares auf den Kit 95320033 verweisen.

Auf Tafel 44 des 1980er Parts Katalogs ist das:

Item 15 - PURIFIER Part No. 106647 -> Trockner

Item 16 - PRESSOSTATO DI MASSIMA Part No. 100460 -> Druckschalter

Item 17 - UNION Part No. 106646 -> Kupplungsstück?

Bei der Suche nach dem Kit 95320033 bin ich auf folgende Versionen gestoßen:

post-66855-14435351966125_thumb.jpg

Diese Version habe ich erstanden.

Ob das Grüne Teil da hin gehört wo ich es hingescharubt habe kann ich nur raten.

Dann bin ich noch auf diese Version gestoßen:

post-66855-1443535196462_thumb.jpg

Die zweite Version hat 3 Kabel das Originale Teil jedoch nur 2

Die Trockner sehen etwas anders aus als im Original, ebenso der Schalter/Sensor (Original-Version wie im Auto verbaut):

post-66855-14435351967717_thumb.jpg

Hie noch ein Vergleich:

post-66855-14435351969496_thumb.jpg

Mir wurde gesagt, daß die Unterschiede zum Original mit der Umrüstung von R12 zu 134A zu tun haben.

Die Kits beinhalten aber nach meiner Erkenntnis nie den kompletten Druckschalter der mit dem "Ringelschwanz" an der "UNION" befestigt ist.

post-66855-14435351971095_thumb.jpg

Den Schalter selbst kann man hier nichts sehen, er ist weiter hinten angescharubt und außer dem Ringelschawanz noch mit 2 Kabeln verbunden. Dies sind andere 2 Kabel als die das Teils an der "UNION".

Kann irgendjemand erklären wie das zusammenhängt und wie diese Teile verbaut werden und ob der originale Druckschalter noch notwendig ist.

Die Teile mit den Kabeln in den Kits, sind das Teile des Druckschalters? Diese sind nirgends explizit mit einer Nummer aufgeführt. Ersetzen diese den kompletten Druckschalter? Wenn ja, was passiert mit den 2 Kabeln die zu dem Separaten Druckschalter (mit dem Ringelschwanz") gehen

Irgendwie bekomme ich das nicht zusammen?

Würde mich freuen wenn mir das jemand etwas sortieren kann :-)

Schönen Gruß

Oli

Jetzt registrieren, um Themenwerbung zu deaktivieren »
Geschrieben

Mmmmh, ich dachte mir schaon, daß es schwierig wird.

Bin wohl auch am Ende etwas unkonkret geworden :wink: .

Also versuche ich mich mal auf eine konkrete Fragestellung zu konzentrieren:

Ich fange mal mit dem Druckschalter an.

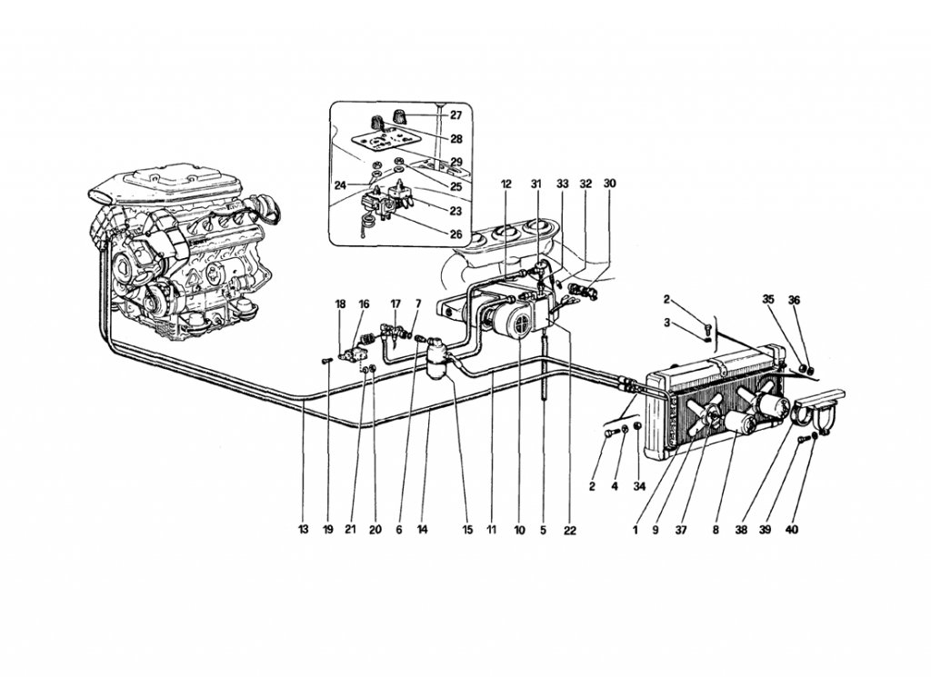
25509d1281082840-308-a-c-replacement-parts-dryer-kit-tavola-44.jpg

Auf Tafel 44 des 1980er Parts Katalogs ist das:

Item 16 - PRESSOSTATO DI MASSIMA Part No. 100460

Kann jemand den Aufbau und die Funktionsweise erklären?

Gehört das Teil mit den zwei grünen Kabeln zum Druckschalter?

25512d1281083287-308-a-c-replacement-parts-dryer-kit-img_1401-klein.jpg

Archiviert

Dieses Thema ist archiviert und für weitere Antworten gesperrt. Erstelle doch dein eigenes Thema im passenden Forum.


×
×
  • Neu erstellen...