Jump to content
EUROPAS GROßE
SPORTWAGEN COMMUNITY

Quelle für Ferrari 360 Kolbenringe?


996gt2rs

Empfohlene Beiträge

Geschrieben

Wunderschönen guten abend zusammen 

Wollte mir gerade die kolbenringe für den 360er motor bestellen.sollen ca 165 Euro pro Kolben kosten.die für den 355 er kosten bei superformance ca 480 Pfund für alle Kolben zusammen. 

Kennt jemand vielleicht eine weitere Quelle für diese Komponenten ?mahle wird die wohl nicht vertreinen. 

Grüßle chris 

Jetzt registrieren, um Themenwerbung zu deaktivieren »
Geschrieben

Habe jetzt ein Angebot in amerika gefunden wo steht ., kolbenring Satz 360/355.

Kann es sein , dass für beide Modelle der selbe ring zum Einsatz kommt?

Also laut teilekatalog hat der 360er und der 355er die identische teilenummer 164026.

Also kann ich den superformance Satz nehmen.

Sorry für die Störung :D

Geschrieben

So ich nochmal.bin doch weiterhin auf hilfe angewiesen in der kolbenring frage . superformance antwortet,das die ringe vom 355 nicht identisch mit den Ringen vom 360er sind.!?

Kennt sich vielleicht jemand mit der Materie aus?

Wie gesagt ferrari teile Liste gleiche Nummer. 

es geht hier um die Differenz zwischen 490 Pfund für das set oder 8x165 Euro pro ring paar.

DANKE für jeden hinweis:-))! 

Geschrieben

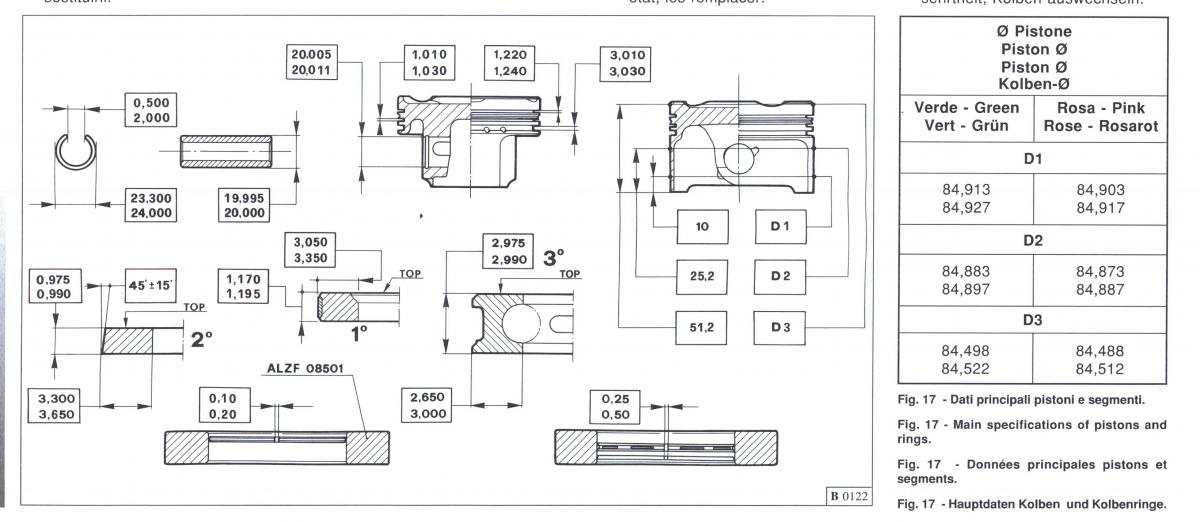
Hat jemand bitte die zylinderbohrungsdaten des ferrari 355?

Zum Beispiel aus dem werkstatthandbuch wie in der Abbildung unten vom 360er.

20170214_212053.jpg

Geschrieben

mal nur so... so ein gaaanz normaler motorenbauer können die normalerweise locker besorgen.ich meine sogar von mahle gibt's da für den Motor verschiedene maße und welche mit weniger anpressdruck=leichtlauf=mehr Leistung mit dazu entsprechenden Nachteilen wie höherem Ölverbrauch etc.

ich weiss z.b. dass es Ventile für ferrari als Ersatzteil für irgendeinen trecker gibt...kostet dann gleich mal ein Bruchteil des normalen kurses obwohl absolut identisches teil

Geschrieben

Falls du mit deiner Suche nicht weiterkommst, meld dich beim Schmidbauer Franz:

http://www.autotechnik-schmidbauer.de/

 

Der konnte bisher auch bei exotischen Sachen immer weiterhelfen. Deine Kolbenringe sehe ich jetzt als nicht sonderlich exotisch an ;-)

Geschrieben

im mahle online Katalog sind sie gelistet..wie vermutet in verschiedenen Versionen was maße und andruckkraft betrifft...dürfte somit kein Problem sein

Geschrieben
vor 2 Stunden schrieb planktom:

mal nur so... so ein gaaanz normaler motorenbauer können die normalerweise locker besorgen.ich meine sogar von mahle gibt's da für den Motor verschiedene maße und welche mit weniger anpressdruck=leichtlauf=mehr Leistung mit dazu entsprechenden Nachteilen wie höherem Ölverbrauch etc.

ich weiss z.b. dass es Ventile für ferrari als Ersatzteil für irgendeinen trecker gibt...kostet dann gleich mal ein Bruchteil des normalen kurses obwohl absolut identisches teil

Dieser Gedanke, sich bei Ersatzteilproblemen an Instandsetzer zu wenden, eröffnet nach meiner Meinung eine weitere Quelle für die Pflege unserer "Oldies". 

Anzeige eBay
Geschrieben
Geschrieben

Hallo 996gt2rs,

 

schau doch mal hier zum Thema Zubehör für Ferrari 360 (Anzeige)? Eventuell gibt es dort etwas Passendes.

  • Gefällt Carpassion.com 1
Jetzt registrieren, um Themenwerbung zu deaktivieren »
Geschrieben

Ich danke vielmals für die Hinweise. 

Diese alternativen zu den Herstellern sind ja Gold wert.denn  jetzt für 360er ringe 1320 Euro zu bezahlen schmerzt mich, vor allem wenn zum beispiel im teileKatalog für den ganzen  Satz vom f40 Grade mal 196 Euro aufgerufen werden.wenn das in der liste stimmt.

Archiviert

Dieses Thema ist archiviert und für weitere Antworten gesperrt. Erstelle doch dein eigenes Thema im passenden Forum.


×
×
  • Neu erstellen...