Jump to content
EUROPAS GROßE
SPORTWAGEN COMMUNITY

Quattroporte 1998 V8 Evo startet nicht


Wolfgang328

Empfohlene Beiträge

Geschrieben

Guten Tag zusammen,

mein Quattroporte von1998 (IV) V8 Evoluzione startet nicht mehr. Der Anlasser dreht den Motor nicht. Da der Anlasser schwierig unter der Ansaugbrücke zu erreichen ist, insbesondere die elektrischen Anschlüsse, habe ich zunächst sämtliche Sicherungen und Relais überprüft. Auffallend war das zum Schluß der letzten Fahrt die gesamte Klimatisierung im Armaturenbrett ausgefallen war. Zudem lassn sich jetzt nicht mehr die hinteren Fenster elektrisch öffnen. Das Relais für den Motorstart im Fußraum Beifahrerseite scheint auch keine Spannung beim Startvorgang zu bekommen. Ich habe den Eindruck das es nicht am Anlasser liegen kann sondern in der Elektrik vom Zündschloß oder irgendwo bis zum Anlasser. Mir ist leider nicht bekannt ob die Alarmanlage , wenn sie den nicht richtig arbeiten sollte, Einfluß auf die Funktion des Anlassers haben könnte. Der Schlüsselcode wird einwandfrei eingelesen. Ein Stromlaufplan besitze ich leider nicht. Hat irgend jemand vielleicht schon diesen Effekt gehabt oder eine Idee den Fehler zu lokalisieren bzw. zu beheben? Ich bin für jede Anregung dankbar.

Freundliche Grüße,

Wolfgang

Jetzt registrieren, um Themenwerbung zu deaktivieren »
Geschrieben

Du erwähnst es nicht, daher: Wie geht es deiner Batterie? :D

Da du dich aber ein wenig mit der Elektrik aus zu kennen scheinst hoffe ich das es nicht daran liegt :)

Leider weiß ich nichts fahrzeugspezifisches, nur die typische Liste von Fehlerquellen..:

Batterie defekt oder entladen scheint am wahrscheinlichsten. Fremdgestartet? Batterie mit einem Ladegerät geladen? Sitzen die Batterieklemmen fest? Das Massekabel? Falls er dann anspringt am besten das Ladesystem prüfen (>13,5V bei laufendem Motor).

Falls erfolglos solltest Du dann einen Blick auf das Zündschloss werfen. Eingang und Ausgang sollten Bordspannung (nicht 1, 2, 3,... Volt weniger) haben. Da mehrere Systeme betroffen sind denke ich nicht an einen defekten Anlasser.

 

Ich hoffe das reicht als erste Starthilfe, ansonsten die Neuigkeiten posten ;)

MfG

  • 4 Wochen später...
Geschrieben

Guten Tag zusammen,

 

zuerst möchte ich mich dafür entschuldigen das ich jetzt leider erst wieder die Möglichkeit habe zu antworten. Danke für die oben genannten Informationen. Die Batterie ist in Ordnung. Ich hatte sie trotzdem nachgeladen aber wie zu erwarten ohne Erfolg. Die Anschlüsse sind gereinigt und befestigt. Massekabel hat guten Kontakt. Ich habe bis jetzt trotz weiterer Kontrollen und Austausches des Relais für den Startvorgang keinen Erfolg gehabt. Ich habe auch den Verdacht das es trotzdem an dem Zündschloß liegen könnte. Die mechanische Konstruktion von Zündschloß, Lenkstange läßt ein einfaches abziehen des Steckers am Zündschloß nicht zu. Hat jemand Hinweise wie man dort vorgehen sollte um nicht das Schloß selber zu zerstören bzw. das man die Lenkstange demontieren muß? Könnte es noch sonstige Fehlerquellen geben die ich überprüfen kann? Ich habe leider auch noch nichts zu einem Stromlaufplan gefunden. Und das es am Anlasser selbst liegt glaube ich nicht. Von den Bedienelementen der Klimatisierung leuchtet weiterhin nichts auf und zeigt auch keine Reaktionen. Für weitere Informationen bin ich dankbar. Noch einen schönen Tag.

 

Mit freundlichen Grüßen,

 

Wolfgang

Geschrieben

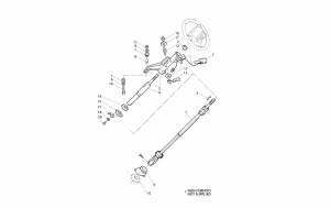
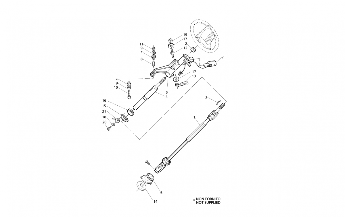
Ich hoffe es ist groß genug. Die Nummer 7 ist das Zündschloss, Stecker demnach etwas tiefer and der Lenksäule.

 

Kostet keine 70€ und ist scheinbar noch original lieferbar ;)

 

T054.thumb.png.17394c02d36fd95e332b4e027

Geschrieben

Guten Tag zusammen,

 

Danke für die Informationen. Ich habe mir die Lenksäule mit dem Zündschloß angeschaut bekomme aber das Zündschloß nicht aus der Säule und den elektrischen Steckverbinder nicht glöst. Die Ringantenne für die Code Erkennung des Schlüssel läßt sich einfach abnehmen. Braucht man zur Entnahme des Schloßes mit der elektrischen Kontakteinheit und zur Demontage des Steckverbinders spezielles Werkzeug oder wie kann ich dort vorgehen? Ich kümmere mich weiter darum kann aber noch etwas dauern. Danke im Voraus.

 

Mit freundlichen Grüßen,

 

Wolfgang

Geschrieben

Ich würde gerne antworten, aber ich habe keine Ahnung ^^

Im Generellen muss man bei den meisten Autos das Zündschloss mit dem Schlüssel in eine bestimmte Position drehen und dann einen Stift oder eine Klammer rein drücken..

 

Warum bekommst du den Stecker denn nicht ab?

Du kannst den Schlüssel ins Zündschloss stecken, so das der Lesering den Code auslesen kann und dann die Kabel vom Zündschloss manuell brücken.

So solltest du dann das Zündschloss ausschließen oder als Fehler ausmachen können.

  • 3 Wochen später...
Geschrieben

Hallo,

 

ich bekomme den Stecker nicht einfach so ab da er in einer Öffnung in der Lenkradsäule eingeführt wird und diese Öffnung ist zu klein um den Stecker abziehen zu können. Somit muß man wohl das Zündschloß herausziehen und dann wird auch der Stecker von den Kontakten gelöst. Ich muß mich mit dieser Problematik noch weiter beschäftigen was wegen Zeitmangel aber noch dauern kann. Das Fahrzeug ist ein Saisonfahrteug aber dennoch muß ich ihn wieder am laufen bekommen. Ich werde mich auf jeden Fall wieder bei der nächsten Möglichkeit melden. Vorerst vielen Dank für die Unterstützung und ein Gutes Neues Jahr 2016.

 

Freundliche Grüße,

 

Wolfgang

Geschrieben

Viel Erfolg und melde dich wenn du eine Lösung hst. Fotos sind auch immer gern gesehen ;)

 

Dir auch einen guten Rutsch!

  • 11 Monate später...
Geschrieben

Hallo zusammen,

 

ich möchte nochmal dieses Thema aufgreifen. Schon vorweg: Ich hab keine Fehlerquelle finden können. In den letzten Wochen startete das Fahrzeug zwar und fuhr auch aber es ist natürlich das immer begleitende Unwohlsein dabei das beim nächsten Startvorgang die Probleme wieder beginnen. Trotz eurer gute Hilfe und Überprüfung der elektrischen Verbindungen, Relais, Sicherungen, Kabelbäume und auch das Überbrücken von Relais zeigte der Anlasser keine Reaktion. Ich hatte mich dann entschlossen die Ansaugbrücke zu demontieren das mehrere Stunden dauerte da einige Schrauben durch eine vorherige Demontage beschädigt waren. Meine Sorge galt den Dichtungen zwischen Ansaugbrücke und Motor. Aber ich kann Entwarnung an alle geben die auch die Ansaugbrücke mal entfernen müssen. Die Dichtungen sind Gummi O Ringe und nicht aus einem empfindlichen Material das sich bei der Demontage zerlegt. Laut Rechnungshistorie soll der Anlasser schon mal getauscht worden sein. Aber die Verschraubungen zeigten keine Eingriffe davon. Beim überbrücken des Magnetschalteranschlusses mit der Pluszuleitung reagierte der Anlasser sofort. Somit war der Anlasser auch wie vermutet in Ordnung. Der Anschlußstecker des Magnetschalters hatte leichte Korision. Nach Reinigung und Nachspannung lies der Anlasser sich auch einige male über Betätigung des Zündschlüssels drehen. Dann war auch wieder Schluß. Mir blieb leider keine andere Versuchslösung als alle möglichen und erreichbaren Steckverbindung von Kabelbäumen, Motorelektronik im Motorraum abzuziehen, auf Verschmutzung zu überprüfen und mt Kontaktspray ausgiebig zu reinigen. Nach kompletter Montage der Ansaugbrücke funktionierte soweit alles. Jetzt funktiniert auch die Bedienung der Innenraumbelüftung. Kurze Zeit nach einschalten der Zündung meldet sie sich mit der vorher eingestellten Temperatur und Luftklappenwahl. Beim Startvorgang schaltet sie sich komplett ab. Läuft der Motor schaltet sie sich wieder korrekt ein. Nun ist jeder Startvorgang sehr spannend geworden da man nie weis ob es wieder funktioniert da die eigentliche Fehlerquelle nicht lokalisiert und behoben wurde. Nicht unbedingt ein gutes Gefühl. Und wie gehabt, wenn der Anlasser des Fahrzeuges nicht funktioniert dann auch keine Reaktion und Funktion des Bedienungsteils der Innenraumbelüftung und die hinteren Fensterheber funktionieren nicht. Vielleicht hat hier im Forum noch jemand eine Idee womit dieser Fehler zusammenhängen könnte. Insbesondere mit der Elektronik und Verkabelung im Motorraum. Ich würde jede Anregung dankend aufnehmen. Dennoch mag ich den Maserati aber dies wird allmählich zu einer unendlichen und sehr zeitintensiven Geschichte.

 

Ich wünsche allen einen angenehmen Tag. Mit freundlichen Grüßen,

 

Wolfgang

Geschrieben

Warst Du schon mal bei einem Spezialisten ? Ich sehe Du "eierst" hier seit einem Jahr schon rum :crazy:

Anzeige eBay
Geschrieben
Geschrieben

Hallo Wolfgang328,

 

schau doch mal hier zum Thema Zubehör für Maserati Quattroporte (Anzeige)? Eventuell gibt es dort etwas Passendes.

  • Gefällt Carpassion.com 1
Jetzt registrieren, um Themenwerbung zu deaktivieren »
Geschrieben

Hallo Wolfgang,

Bilder von deinen Aktionen wären für die Helfer hier gut.

Gruß

Paul

  • 2 Wochen später...
Geschrieben

Hallo zusammen,

 

ja, ich arbeite schon längere Zeit an dem Fahrzeug. In meiner Wohnregion ist der nächste Spezialist sehr weit entfernt. Desweiteren, zur Zeit startet das Fahrzeug. Jeder wird sagen das jetzt nichts zu finden ist. Eine normale OBD Schnittstelle zum Fehler auslesen hat das Fahrzeug leider nicht. Fotos kann ich einstellen. Aber welche sind hilfreich?

 

Ich wünsche schon jetzt allen ein gutes neues Jahr!

 

Ach ja, faszinierend an dem Motor ist das er nach Motor aussieht und alles ist spiegelsymetrisch  angeordnet.......

 

Freundliche Grüße,

 

Wolfgang

  • 2 Wochen später...
Geschrieben

Moin Wolfgang,

 

wir haben selbst einen Ghibli 2.0 und einen Quattroporte 2.8 in der Familie und hatten auch schon Probleme mit dem Anlasser. Bei beiden Fahrzeugen drehte der einfach durch und es passierte nix. Wir haben uns auch auf die Suche nach möglichen Fehlerquellen gemacht und auch die Relais und alles überprüft und nichts gefunden. Das Ende vom Lied war dann bei beiden Fahrzeugen, dass die Lichtmachine defekt war und ersetzt hätte werden müssen. Problem ist nur dass es keine Ersatzteile mehr gibt und die einzige Möglichkeit eine Instandsetzung ist (wurde glaube ich in unseren Fällen bei Bosch selbst gemacht). Inwiefern dass auf den Quattroporte 3.2 zutrifft weiß ich nicht aber vielleicht hilft es dir ja weiter ;-) 

 

LG

 

Jack

  • 3 Wochen später...
Geschrieben

Moin Jack,

 

Danke für deinen Hinweis. Ich werde das überprüfen. Die Lichtmaschine zeigt sonst immer ein normales Verhalten, also die Ladekontrollleuchte erlischt sofort wenn der Motor läuft und auch bei Standgas bleibt sie kontinuierlich aus. Weißt du oder jemand anderes vielleicht wo die Massebänder zwischen Motorblock, Elektronik und Chassis sind? Wo gibt es sonst noch wichtige Masseanschlüße zum Cassis/Karosserie?

 

Angenehmen Tag an alle,

 

Wolfgang

  • 2 Wochen später...
Geschrieben

Hallo Wolfgang,

 

nicht schön zu hören, dass du schon so lange an dem selben Problem hängst.

Man muss Lichtmaschine stark von der Batterie trennen, wenn es darum geht die Fehlerquelle zu finden.

Denn eine defekte Lichtmaschine hat nichts "direkt" damit zu tun, dass der Motor nicht gestartet werden kann sondern eher nur eine indirekte Rolle.

Zum Starten brauch der Motor immer eine stabile Batterie, in dem Moment ist es erst mal egal was die Lichtmaschine macht. Im 2. Schritt wenn der Motor läuft lädt die LIMA die Batterie und der Motor holt sich während das er läuft, seine Spannung immer von der LIMA. Wenn die LIMA natürlich nicht mehr die erforderliche Spannung aufbringt, wir die Batterie nicht mehr richtig geladen.

 

Was mir nun lt. deiner Beschreibung aufgefallen ist, dass die Klima und die Fensterheber bei deiner letzten Fahrt ausgfallen sind. Das zeigt mir in erster Linie, deine Bordspannung ist  wohl unter 12V gefallen und ein Teil der Steuergeräte haben möglw. abgeschaltet. Für die Benzinpumpe hat die Spannung wohl noch gereicht, so das du noch fahren konntest.

Resultierend durch eine mögliche defekte LIMA ist, eine Tiefenentladung der Batterie.

Ich möchte darauf hinaus, ob du dir wirklich ganz sicher bist, dass die Batterie noch genug Starter "Ampere" (Volt ist nicht immer das entscheidene) aufbringen kann? Hast du schon mal versucht von jemandem Starthilfe zu bekommen, um die Batterie wirklich ausschließen zu können?

Nächster Schritt wäre, ich bin mir ziemlich sicher, da du gschrieben hast, dass du ein Bj.98 fährst, dass du auf jeden Fall eine OBD1 Dose haben musst, die irgendwo im Motorraum sitzt.

Mann kann entweder direkt an der Dose oder je nach Fahrzeug im Amaturenbrett, Blinkcodes abgreifen, diese auslesen und dann den "OBD Code" entschlüsseln und feststellen welche Fehler im Fahrzeug abgespeichert sind.

 

Grüße Andreas

Geschrieben

Also ich tippe auf eine schlechte Masse-Verbindung zwischen Batterie und Motor.

Gerade weil soviele andere Symptome auftreten, wäre das für mich die logischste Erklärung.
 

Nimm doch mal ein Überbrückungskabel mit. Und sobald der Fehler auftritt, klemmst Du das Überbrückungskabel zwischen Minuspol und den Motorblock.

 

Evtl. könntest Du auch mal erläutern, wie es sich genau anhört wenn Du den Zündschlüssel drehst und der Anlasser nicht funktioniert. Macht es einmal Klack und dann Ende. Macht es gar nicht Klack oder knattert es wie ein Maschinengewehr. :-)

 

Archiviert

Dieses Thema ist archiviert und für weitere Antworten gesperrt. Erstelle doch dein eigenes Thema im passenden Forum.


×
×
  • Neu erstellen...