Jump to content
EUROPAS GROßE
SPORTWAGEN COMMUNITY

VIN und Krümmer F430


hohlbaum

Empfohlene Beiträge

Geschrieben

Das ist mein erster Post in diesem Forum und daher erstmal Hallo an alle.

Nach 4 Jahren Audi R8 V8 brauche ich nun etwas neues. Zunächst habe ich natürlich an einen R8 V10 gedacht. Aber bis auf die deutlich bessere Beschleunigung ab ca 150 Km/h war mir der Unterschied zu gering.

Durch einen Freund hatte ich die Gelegenheit einen Aston Martin DB9 zu fahren. Ein wirklich schönes Auto, aber ab 200 Km/h war er mir zu schwammig auf der Vorderachse. Danach einen AM V8 Vantage Volante gefahren. Auch sehr schön, hervorragend verarbeitet, gefiel mir vom Fahrverhalten aber auch nicht: zuviel Untersteuern in den Kurven.

Und dann kam es: Probefahrt in einem 430 Scuderia (vielen Dank nochmal an die Firma Tamsen). Die beste Autofahrt, die ich je hatte. Ein fantastischer Sound, eine Straßenlage wie ein Kart, die Sitze passten perfekt und eine Beschleunigung, dass meine Frau schrie, ich sei wohl bescheuert, sie kriege gleich eine Gehirnerschütterung :D.

Das einzige Manko, der Scuderia war mir zu puristisch. Kein Teppich, kein Radio, nichts.

Ein bißchen Komfort brauche ich schon.

Daher begab ich mich auf die Suche nach einem F430 Coupe.

Und jetzt meine Frage an Euch: Kann man an Hand der VIN sagen, aus welchem Baujahr das Fz ist? Mir geht es insbesondere um die Problematik der Krümmer.

Bei Mobile stehen viele drin, die deutlich später zugelassen wurden, als sie gebaut wurden.

Wie hoch ist die Wahrscheinlichkeit, dass die Krümmer, die vor 2008 verbaut wurden, reissen?

Ich danke für Euere Antworten und wünsche allen schon mal Schöne Feiertage

Harald

Jetzt registrieren, um Themenwerbung zu deaktivieren »
Geschrieben

Bzgl. der ganzen Krümmerproblematik wendest Du Dich einfach mal an User Tony Capristo. Er hat eine vernünftige Lösung um der Problematik vorzubeugen.

Geschrieben

Danke für die schnelle Antwort.

Das Tony Capristo Brackets, Krümmer und ganze Auspuffanlagen für den F430 anbietet, habe ich schon erfahren.

Es geht mir vor allem um den Zusammenhang zwischen VIN und Krümmer.

Irgendwelche Ideen?

Harald

Geschrieben

Hi Harald,

wenn Du mir die VIN sagst (gerne auch per PN), kann ich in meiner Database nachschauen und anhand der anderen Fahrzeuge eine relativ genauen Einschätzung vom Produktionszeitpunkt geben. Noch besser, wenn Du auch die Assembly Nr. sagen kannst. Die findest Du im Motorraum - wenn Du hinter dem Auto stehst und direkt in dem Motorraum runter schaust, steht sie links unten (eine 5-Stellige Zahl).

Ciao,

Lars

Geschrieben
...Und jetzt meine Frage an Euch: Kann man an Hand der VIN sagen, aus welchem Baujahr das Fz ist? Mir geht es insbesondere um die Problematik der Krümmer...

Wie hoch ist die Wahrscheinlichkeit, dass die Krümmer, die vor 2008 verbaut wurden, reissen?...

a) Juni 2008, bis VIN 77948 - edit: bis assembly no. 77948

B) hoch

Gruß aus MUC

Michael

Geschrieben
a) Juni 2008, bis VIN 77948

B) hoch

Gruß aus MUC

Michael

77948 bei einem F430 ist eine Assembly Nr., keine VIN.

Ciao,

Lars

Geschrieben

Ich habe jetzt ein 2009er und jetzt schauen wir mal wie lang die Krümmer halten. Wenn die Lebensdauer kürzer ist als gedacht, lass ich sie einfach schweißen und die Vorkats entfernen. Die Kosten halten sich dann im Rahmen.

Ich weis das im Laufe der Zeit das Auspuffsystem überarbeitet wurde, aber gab es ab 2008 oder 2009 wirklich merklich weniger Krümmerrisse?

Bin mal gespannt auf meine eigenen Erfahrungen.

Geschrieben
a) Juni 2008, bis VIN 77948 - edit: bis assembly no. 77948

B) hoch

Gruß aus MUC

Michael

Sollte seit Juni 2008 das Problem behoben sein (verstehe ich das so richtig?), wäre das in etwa ab VIN 162000 - ab dort sehe ich in meiner Database die ersten 06/08 F430´er erscheinen. Ab 163000 wäre man auf jeden Fall schon in der Juli-Produktion und somit vielleicht eher auf der sicheren Seite.

Nach der Assembly Nr. zu schauen, ist aber besser, da diese die wirkliche Produktionsfolge zeigt. Die VINs werden schon lange vor Produktionsbeginn vergeben und zeigen nicht die wirkliche Reihenfolge (da können leicht einige 100 Nummern Unterschied zwischen zwei nachfolgenden Autos am Produktionsband sein, was die VIN betrifft). Persönlich im Werk so gesehen :)

Ciao,

Lars

Anzeige eBay
Geschrieben
Geschrieben

Hallo hohlbaum,

 

schau doch mal hier zum Thema Zubehör für Ferrari 430 (Anzeige)? Eventuell gibt es dort etwas Passendes.

  • Gefällt Carpassion.com 1
Jetzt registrieren, um Themenwerbung zu deaktivieren »
Geschrieben

ja, das kann man daher vermutlich nur annäherungsweise genau sagen -

bis zur genannten assembly-no. mussten - im Schadensfall - beide Krümmer getauscht werden; das kann aber auch schon für das "Modelljahr 2008" gelten, d.h. schon für Fahrzeuge aus dem Herbst 2007

interessant wäre, ob danach trotzdem noch ähnliche Schäden vorgekommen sind

durch die prophylaktische Capristo-Modifikation lassen sich diese aber offensichtlich komplett ausschliessen ... wie wir seitdem wissen :wink:

Gruß aus MUC

Michael

Geschrieben

So oder so,

ich würde auf JEDEN FALL die Capristo Halterung einbauen.

Die Produkte die die Fa. Capristo insbesondere im Bereich der Auspufftechnik

aus der Praxis heraus AM OBJEKT entwickelt und herstellt,

sind durchdacht,

aus hochwertigsten Materialien gefertigt,

und schlichtweg TOP!

Zusatz: Für mich ist diese Krümmerkümmerei ein typischer Fall von

falsch verstandenem, bzw. unerfahrenem Konstruktionstum.

1. Wir konstruieren etwas. Es hält soweit.

2. Das Produkt geht in den Markt.

3. Der Markt beweist, dass es doch nicht hält.

4. Wir verstärken einfach das Bauteil welches kaputt geht (diese Vorgehensweise findet man sehr häufig), ohne der Ursache auf den Grund zu gehen. Meist auch einfach aus Unwissenheit, und / oder Zeitdruck!

5. Das Problem ist damit hoffentlich aus der Welt, aber es kann auch einfach nur verlagert worden sein. Eine Kette ist immer nur so stark wie ihr schwächstes Glied!

Die Frage, die sich der zuständige Kontrukteur stellen muss heißt nämlich nicht:

Ah, die Krümmer reißen, ich mach das Matrial mal dicker,

sondern,

WARUM reißen die Krümmer eigentlich!

Geschrieben

Ich habe keine Ahnung was es ab 2008 für Änderungen gegeben haben sollte, um die Krümmerrisse wirklich verschwinden zu lassen. Hat da jemand eine Info?

Es hat sicher u.a. mit Spannungen zu tun, deshalb sind die Capristo Halterungen auch der richtige Ansatz! :-))! Ich hatte jedoch auch versucht eine Liste zu erstellen, bezüglich Haltbarkeit bzw. Risse auch mit den Halterungen. Gibt es bisher noch keine. :-))! Allerdings liegen mir auch noch keine Rückmeldungen vor, die mehr als 15.000 km mit den Halterungen gefahren sind. Ich denke da haben sich aber einige einfach nicht gemeldet, denn die Halterungen gibt es ja glaube ich schon länger.

Geschrieben

Also meinSpider ist Bj 2006 und hat jetzt 54TKM drauf.Hatte ietzt die Krümmer kontrolliert bei beiden kein Riss.Würde sagen kommt auch auf die Fahrweise drauf an.

Geschrieben

Ich denke, "Krümmerrrisse" kann man mehr oder weniger nicht

"optisch" kontrollieren.

Sondern nur hören.

Grüße

Geschrieben

Klar kann man das kontrollieren.Man siehts und hört es auch.Man kann es testen wenn man die Auspuffrohre zuhält und wenn sie gerissen wären würde man den Abgasaustritt sehen und riechen. und es wär auch schwarzer Ruß an den Flanschen.Ausserdem hört man es auch bei einer bestimmten Drehzahl da wären sie ziemlich laut.

:-))!:-))!

Geschrieben

Die Abgaskrümmer sind, (wenn sie original sind) mit einer Lage Isoliermaterial

umhüllt. Das ganze isolierte Krümmerpaket ist dann noch komplett unter einer Edelstahlblechisolierung verborgen.

Die eigentlichen Krümmer (vier pro Seite) sind praktisch überhaupt nicht zu sehen.

Die Abgaskrümmer reißen/brechen wohl meistens an den Rohrbögen, also im Isolierpaket.

"Hand auf die Endrohre dann sieht und riecht man was", hört sich lustig an,

ist aber wohl so nicht praktisch machbar.

Ich selber habe schon die MK 2 drin und keine Probleme (Gott sei Dank) :)

Die Aussage "Krümmerbrüche kann man nur hören" kommt nicht von mir, sondern

vom ehemaligen Werkstattleiter (mit 17 Jahren Praxiserfahrung) eines sehr bekannten

Ferrari-Autohauses in Frankfurt.

Wenn es aber weitere (praktische) Kenntnisse zur Krümmerbruchproblematik Fotos, Videos usw. geben würde, würde ich gerne daran teilhaben.

Geschrieben

Auch mein Schrauber meinte, dass man die Krümmerbrüche gut hören kann. Im Motorraum würde es wohl sehr laut werden. Bei meinem feinen Gehör verlasse ich mich da auf meine Ohren.

Ich habe einen 2009er und alles in Ordnung... Kumpel von mir fuhr im 430 und im Scuderia nicht gerade wenig und hatte nie einen Krümmerriss. Vielleicht ist das nur Glück, ich meine es hängt aber auf jeden Fall auch mit der Fahrweise zusammen. Das ist doch auch ganz natürlich und normal. Einen Turbo muss man auch immer gut warm und kalt fahren, sonst verabschieden sich die Turbos irgendwann. Wenn ich immer mit geschlossenen Klappen fahre kann sich mehr Hitze stauen denke ich. Auch ein sofortiges Abstellen des Motors nach schneller Fahrt kann nur schaden. Steht sogar in der Betriebsanleitung von Ferrari :wink:

Geschrieben

Ja da hast du Recht mit der Fahrweise.Das ist mit allen Verschleißteilen so wie man sie halt behandelt.ja dein Schrauber hat da schon recht das es sehr laut wird wenn ein Riß am Krümmer sein sollte.Aber auch wenn die Krümmer mit Isoliermaterial umwickelt sind wenn der Krümmer gerissen ist kommen die Gase überall durch und die schwarzen Abgase würde man an den Krümmereingängen o sonst wo sehen.Hatte Auto auf Hebebühne und Unterboden entfernt da war nichts zu sehen zu riechen und zu hören.Wurd mir auch von mehreren Experten bestätigt das devenitiv nichts gerissen ist.Werd die Auspuffaufhängung zur Sicherheit trotzdem noch gegen Vibrationen verbessern.Wünsch Euch noch ein gutes neues Jahr:-))!:-))!Vieleicht trifft man sich ja mal.

Geschrieben

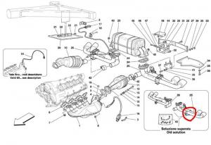
@wolfie,

ich hänge mal Pic mit der von Ferrari geänderten Halterung an.

Ich selber habe ein Baujahr Anfang 2007 und habe alle Upgrades

inkl. Halterungen und neuen Krümmern verbaut.

Die Arbeiten wurden wohl auch im Rahmen von "Garantieleistungen"

Von Ferrari während der normalen Wartungen durchgeführt.

(Hitzeschutz (Pos.20) wurde ebenfalls bei späteren Baujahren verbessert.)

Ich bin mir aber nicht ganz sicher, ob diese Arbeiten für den Kunden zu 100%

kostenlos waren.

Du kannst ja mal den Heckdiffusor abschrauben und die Abgashalterungen bei dir

anschauen. Idealerweise hast du dann schon die "Doppelschellenlösung" verbaut.

Grüße

post-85565-14435428781556_thumb.jpg

Archiviert

Dieses Thema ist archiviert und für weitere Antworten gesperrt. Erstelle doch dein eigenes Thema im passenden Forum.


×
×
  • Neu erstellen...